



User Manual

The DECAQ is a professional electronic measurement system and is not intended for consumer or household use. This equipment measures high-speed analog and digital signals in laboratory or mobile environments. It may also be used in other areas, for example when troubleshooting or performing field tests. It is designed for operation by qualified personnel with appropriate technical training in measurement technology and signal analysis.
Indoor use:
Outdoor use:
Safe and compliant operation of the equipment requires that users:
Failure to comply with these instructions may result in personal injury, equipment damage, or non-compliance with applicable regulatory requirements.
The DECAQ Mainframes may be transported and operated at altitudes up to 15 000 m (12 kPa), in accordance with MIL-STD-810G, Method 500.5, Procedures I and II.
The DECAQ Mainframes are classified as Overvoltage Category I. The internal circuits are designed with protective measures to substantially limit transient overvoltages to a very low level.
The DECAQ Mainframes are rated Pollution Degree 2 (PD2). Under normal conditions, only non-conductive pollution occurs. Temporary conductivity caused by condensation may be expected.
The DECAQ Mainframes have an IP41 rating. The enclosure provides protection against solid foreign objects greater than 1 mm in diameter and against vertically falling water droplets (e.g., condensation).
Even though the DECAQ has been designed to withstand rough handling, it is a sensitive and complex electronic instrument and must be handled with care.
The DECAQ must be powered down for 30 seconds before any Module or Board can be inserted or removed. The DECAQ hardware is not hot-swappable.
Care has been taken to provide reasonable ESD protection. However, DECAQ components are sensitive to electrostatic discharge (ESD). To prevent damage, observe appropriate antistatic precautions whenever you:
Recommended precautions:
Do not use a damaged power supply, cable or any other DECAQ component.
The DECAQ may not be operated or stored in flammable environments (fumes, gasses, liquids, etc.), excessively harsh environments (corrosive, ambient temperature above 50 °C, radioactive, hydraulic fluid, etc.), or excessively damp environments.
The radiated output power of the DECAQ is within acceptable radio frequency exposure limits and is intended to be used 300 mm away from a human operator.
Depending on the configuration, the DECAQ may become heavy and could pose a danger if not stored or transported in a responsible manner. Please use the handle provided. When using the removable handle, ensure it is properly installed and the locking mechanisms are engaged.
This product, including all of its components, complies with the requirements of the European Union’s REACH Regulation (EC) No. 1907/2006.
We continue to monitor updates to the Candidate List of SVHCs and REACH Annexes to ensure ongoing compliance. If the product is found to contain SVHCs above the reporting threshold in future updates, information will be made available in accordance with Article 33 of REACH.
This product complies with the requirements of the RoHS Directive 2011/65/EU and its amendment 2015/863/EU on the restriction of hazardous substances in electrical and electronic equipment.
Specifically, this product does not contain the following substances in concentrations greater than the maximum permitted values:
This declaration is based on supplier data, material declarations, and conformity assessments of the components used in this product.
This product is in compliance with the European Union Waste Electrical and Electronic Equipment (WEEE) Directive 2012/19/EU.
The products in this manual do not contain any mercury or mercury compounds.
The products in this manual do not contain any substances listed as Class I or Class II specified chemical substances under the Japan Chemical Substances Control Law (CSCL).
Mecalc believes in ethical and responsible practices and is committed to promoting economic, environmental and social justice at all levels of our supply and manufacturing processes.
As part of this commitment, we:
An accredited lab independently tested DECAQ systems with Wi-Fi, GPS Modules and SNAV to ensure compliance with::
An accredited lab independently tested DECAQ systems powered by the SP45 PoE and DECAQ systems with SC25 and ALI25 Modules (without Wi-Fi, GPS and SNAV) to ensure compliance with:
The DECAQ measurement frontend is classified as “a digital device used exclusively as industrial, commercial, or medical test equipment”. Therefore, according to CFR47 section 15.103 the DECAQ measurement frontend is exempt from the specific technical standards in CFR47 part 15. Even though the starred combinations have not been explicitly certified for FCC/IC compliance, Mecalc did endeavour to have the device meet the specific technical standards. All DECAQ measurement frontends may therefore be used in the USA or Canada provided that according to CFR47 section 15.103, “the operator of the exempted device shall be required to stop operating the device upon a finding by the Commission or its representative that the device is causing harmful interference”.
The WLAN Module used in the DECAQ has been pre-certified for use in Japan and South Korea.
The products described in this manual are not designed, developed, or intended for military use. They are not included on the United States Munitions List (USML) as defined under the International Traffic in Arms Regulations (ITAR), 22 CFR Parts 120–130.
All products are classified as Commercial Off-The-Shelf (COTS) items. Additionally, these products are regulated under the Export Administration Regulations (EAR) and are classified under Export Control Classification Number (ECCN) 3A992.a. This classification applies to general-purpose electronic devices intended for civilian and industrial applications.
This symbol indicates the user should take note of warnings provided on the DECAQ. It can be found at the back of the device.
This symbol indicates the DECAQ Battery are compliant with the WEEE (Waste Electrical and Electronic Equipment) Directive and adhere to policies that promote efficient and environmentally sound recycling. For more information, go to “Recycling”.
This symbol indicates it is mandatory to recycle the External DECAQ Battery when it becomes waste. The 00 indicates that the maximum amount of metal contained in the positive electrode is Cobalt and that there are no metals which hinder the recycling of the main metals.
The DECAQ needs to be handled with care after prolonged use. See “Precautions” for more information.
Users of the DECAQ need to adhere to antistatic precautions while using these devices.
Make sure to earth the DECAQ when used in environments where electrical shock is likely to occur. This symbol can be found on the front panel of the DECAQ. See “Front View” for more information.
For more information, see “EU Electromagnetic Compatibility (EMC)”.
Products discussed in QuantusSeries Product User Guides comply with Part 15 of the FCC Rules. For more information, see “US Federal Communications Commission (FCC) & Canada (IC)”.
DECAQs with the MIC Technical Conformity mark are fitted with built-in Wi-Fi which has been certified for use in Japan.

DECAQ systems are compact data acquisition systems which measure high-speed analog and digital signals. Designed for portable measurement, troubleshooting, field testing and complex laboratory applications, DECAQ systems are capable of housing up to 160 channels in a single chassis. Each DECAQ system can securely connect, communicate and be controlled using either the User Interface, a laptop or smart device, as well as to store data for later playback.
A typical user will have an understanding of measurement chain and signal analysis.
The DECAQ comes in 5 chassis sizes, namely the DECAQ 2-slot, 3-slot, 4-slot, 6-slot and 10-slot chassis. This section shows views for each chassis size.
This section highlights front view features common to all systems.
1. Extraction Jacking Screw To remove the board from the chassis during system maintenance, tighten the extraction jacking screw until the board ejects.
2. Portal for Thermal Expanders Ensure the thermal expanders have been properly fastened before conducting measurements. See Handling Guidelines for Effective Cooling for more information.
3. Built-in Wi-Fi Antenna Connectors Reverse Polarity SMA Female connectors for IEEE 802.11 a/b/g/n WLAN communication. The antenna should have a Reverse Polarity SMA Male connector.
4. Module slots Featured Module: Slot 2 CHS42X:6 Channel Charge or ICP®/IEPE and Voltage Input Amplifier See Measure: Signal Conditioning for more information.
5. Ethernet (Ethernet / PTP) Ethernet 1000BASE-T PTP (Precision Time Protocol) IEEE 1588-2008 PTP synchronisation over Ethernet. See Synchronisation for more information.
6. S-Port Connect to the ATTOQs via the S-Port.
7. User Interface Display Receive system information and execute commands via the User Interface. See Navigating the DECAQ’s User Interface Display for more information.
8. User Interface Scroll Button Use
the Scroll Button
(
)
to switch on the DECAQ and scroll through User
Interface menu options. See
Navigating the DECAQ’s User Interface Display for more
information.
9. User Interface OK Button Confirm User Interface menu option selections using the OK Button. See Navigating the DECAQ’s User Interface Display for more information.
10. Power LEMO® Power the DECAQ with an external power source via the Power LEMO®. See Power for more information.
11. Earth Terminal Beware of ground loops as the system is earthed via the Mean Well power supply. Consider connecting the Earth Terminal to the building safety earth if there is any risk of electrical shock in the testing environment. It can be used to provide a ground reference for analog signal measurements, if appropriate settings are applied to the relevant Module channels. It can also be used in some cases to decrease noise on analog signals.
12. Module Jacking Screw Insert and remove Modules using a Jacking Screw.See Inserting and Removing Modules for more information.
13. Battery Status LED Provides information about the internal battery to the User.
14. Power Supply Status LED Provides information about the power supply to the User.
15. Ethernet / PTP Status LED Synchronise DECAQ systems with PTP (Precision Time Protocol) See Synchronisation for more information.
The following section provides the Top, Side and Bottom Views of the DECAQ 2-slot.
1. Fastening Inserts Fasten your chassis onto a surface using the fastening inserts.
1. Handle For simplified handling, use the handle when carrying the chassis.
2. Handle Adjustment Button To adjust your handle, press down on the Handle Adjustment Button. Move the handle from 0° to 45°, 90°, 135° and finally 180°. Once the handle reaches any one of the four settings, it will lock into that position until the button is pressed in to adjust the handle again. Please ensure the Handle Adjustment Button is locked before picking up the system with the handle.
3. Fins Fins provide conduction cooling for the system chassis. Keep the chassis fins unobstructed while conducting a measurement. See Handling Guidelines for Effective Cooling for more information.
1. Product Identifier The Product Identifier includes certifications and warnings related to the use of the DECAQ.
2. Serial Number Label The Serial Number / Barcode Label of each DECAQ is found on its base. This identifier allows our Product Experts to access information specific to your device in order to provide valuable support services.
3. Mecalc or Partner Label The Mecalc or Partner Label provides a QR code that lets the User access support information such as User Guides.
4. HEX key The HEX key is used to gain access to the rear cover to insert/remove batteries.
5. Fastening Inserts Fasten your chassis onto a surface using the fastening inserts.
The following section provides the Top, Side and Bottom Views of the DECAQ 3-slot.
1. Fastening Inserts Fasten your chassis onto a surface using the fastening inserts.
1. Handle For simplified handling, use the handle when carrying the chassis.
2. Handle Adjustment Button To adjust your handle, press down on the Handle Adjustment Button. Move the handle from 0° to 45°, 90°, 135° and finally 180°. Once the handle reaches any one of the four settings, it will lock into that position until the button is pressed in to adjust the handle again. Please ensure the Handle Adjustment Button is locked before picking up the system with the handle.
3. Fins Fins provide conduction cooling for the system chassis. Keep the chassis fins unobstructed while conducting a measurement. See Handling Guidelines for Effective Cooling for more information.
1. Product Identifier The Product Identifier includes certifications and warnings related to the use of the DECAQ.
2. Serial Number Label The Serial Number / Barcode Label of each DECAQ is found on its base. This identifier allows our Product Experts to access information specific to your device in order to provide valuable support services.
3. Mecalc or Partner Label The Mecalc or Partner Label provides a QR code that lets the User access support information such as User Guides.
4. HEX key The HEX key is used to gain access to the rear cover to insert / remove batteries.
5. Fastening Inserts Fasten your chassis onto a surface using the fastening inserts.
The following section provides the Top, Side and Bottom Views of the DECAQ 4-slot.
1. Fastening Inserts Fasten your chassis onto a surface using the fastening inserts.
1. Handle For simplified handling, use the handle when carrying the chassis.
2. Handle Adjustment Button To adjust your handle, press down on the Handle Adjustment Button. Move the handle from 0° to 45°, 90°, 135° and finally 180°. Once the handle reaches any one of the four settings, it will lock into that position until the button is pressed in to adjust the handle again. Please ensure the Handle Adjustment Button is locked before picking up the system with the handle.
3. Fins Fins provide conduction cooling for the system chassis. Keep the chassis fins unobstructed while conducting a measurement.See Handling Guidelines for Effective Cooling for more information.
4. Fans Fans provide cooling for the system’s chassis. Keep the fan intake unobstructed while conducting a measurement. See Handling Guidelines for Effective Cooling for more information.
1. Product Identifier The Product Identifier includes certifications and warnings related to the use of the DECAQ.
2. Serial Number Label The Serial Number / Barcode Label of each DECAQ is found on its base. This identifier allows our Product Experts to access information specific to your device in order to provide valuable support services.
3. Mecalc or Partner Label The Mecalc or Partner Label provides a QR code that lets the User access support information such as User Guide.
4. HEX key The HEX key is used to gain access to the rear cover to insert / remove batteries.
5. Fastening Inserts Fasten your chassis onto a surface using the fastening inserts.
The following section provides the Top, Side and Bottom Views of the DECAQ 6-slot.
1. Fastening Inserts Fasten your chassis onto a surface using the fastening inserts.
1. Handle For simplified handling, use the handle when carrying the chassis.
2. Handle Adjustment Button To adjust your handle, press down on the Handle Adjustment Button. Move the handle from 0° to 45°, 90°, 135° and finally 180°. Once the handle reaches any one of the four settings, it will lock into that position until the button is pressed in to adjust the handle again. Please ensure the Handle Adjustment Button is locked before picking up the system with the handle.
3. Fins Fins provide conduction cooling for the system chassis. Keep the chassis fins unobstructed while conducting a measurement. See Handling Guidelines for Effective Cooling for more information.
4. Fans Fans provide cooling for the system’s chassis. Keep the fan intake unobstructed while conducting a measurement. See Handling Guidelines for Effective Cooling for more information.
1. Product Identifier The Product Identifier includes certifications and warnings related to the use of the DECAQ.
2. Serial Number Label The Serial Number / Barcode Label of each DECAQ is found on its base. This identifier allows our Product Experts to access information specific to your device in order to provide valuable support services.
3. Mecalc or Partner Label The Mecalc or Partner Label provides a QR code that lets the User access support information such as User Guide.
4. HEX key The HEX key is used to gain access to the rear cover to insert / remove batteries.
5. Fastening Inserts Fasten your chassis onto a surface using the fastening inserts.
The following section provides the Top, Side and Bottom Views of the DECAQ 10-slot.
1. Fastening Inserts Fasten your chassis onto a surface using the fastening inserts.
1. Fins Fins provide conduction cooling for the system chassis. Keep the chassis fins unobstructed while conducting a measurement. See Handling Guidelines for Effective Cooling for more information.
2. Intake Cover The Intake Cover aids in distributing the air from the fan to the rest of the chassis. Make sure not to cover any space between the chassis and the Intake Cover.
3. Fins (uncovered) Fins provide conduction cooling for the system chassis. Keep the chassis fins unobstructed while conducting a measurement. See Handling Guidelines for Effective Cooling for more information.
4. Fans Fans provide cooling for the system’s chassis. Keep the fan intake unobstructed while conducting a measurement. See Handling Guidelines for Effective Cooling for more information.
1. Product Identifier The Product Identifier includes certifications and warnings related to the use of the DECAQ.
2. Serial Number Label The Serial Number / Barcode Label of each DECAQ is found on its base. This identifier allows our Product Experts to access information specific to your device in order to provide valuable support services.
3. Mecalc or Partner Label The Mecalc or Partner Label provides a QR code that lets the User access support information such as User Guide.
4. HEX key The HEX key is used to gain access to insert/remove batteries.
5. Fastening Inserts Fasten your chassis onto a surface using the fastening inserts.
The DECAQ complies with EMC directives.
When connecting cables, sensors or third-party devices to the DECAQ, electromagnetic noise could be introduced into the measurement.
Recommendations for good measurement practice include:
Warning: Always shut down the system using the Web Server or front-panel buttons. If no battery is installed, unplugging the power supply can cause permanent damage. When operating on battery power, also shut down via the Web Server or front-panel buttons.
Warning: Do not switch off or reset your DECAQ system while it is booting or while a firmware upgrade is in progress. This could permanently damage the system. Wait for the display to show ‘QSERVER’, ‘IDLE’, ‘LIVE’, ‘REC’, or ‘FAIL’ before continuing to operate on the system.
Warning: Lithium-ion batteries are regulated as Dangerous Goods for air transport. When shipping by air, comply with the applicable IATA Dangerous Goods Regulations (DGR) or ICAO Technical Instructions. Batteries shipped by air may be required to be offered for transport at a state of charge not exceeding 30 % of rated capacity, depending on the applicable packing instruction. Consult your freight forwarder or airline before shipping.
The DECAQ systems are supplied with specially designed power cables to ensure optimal performance. Using third-party cables is discouraged as they may not meet the necessary requirements.
DECAQ systems operate within a range of 10-30 VDC voltage. When running the DECAQ from lower voltages, the resulting increased current could cause power cables and connectors to heat up. A lowered supply voltage increases the current flowing through the resistance of the cable and connector, resulting in a quadratic rise in temperature.
When powering DECAQ 6-slot or DECAQ 10-slot systems, it is therefore recommended to:
| Termination | Max Current | Length | Cable Name |
|---|---|---|---|
| Mean Well AC-DC Adapters | 15 A | 1 m | 230K |
| Mean Well AC-DC Adapters | 15 A | Variable | 231K |
| Banana Plugs | 15 A | 2 m | 213K |
| Cigarette Lighter Plugs | 15 A | 2 m | 214K |
| Banana Plugs | 20 A | 2 m | 216K |
| Banana Plugs | 20 A | Variable | 221K |
| Chassis Size | DECAQ 2-slot | DECAQ 3-slot | DECAQ 4-slot | DECAQ 6-slot | DECAQ 10-slot |
|---|---|---|---|---|---|
| High Power Load Configuration 1 | 47 W | 69 W | 92 W | 134 W | TBA |
| Battery charging when system is OFF | 85 W | 85 W | 85 W | 85 W | 85 W |
Field swappable 90 Wh Li-Ion batteries may be added to any size mainframe for up to two hours of measurements. The DECAQ can run from the batteries between -20 °C and 65 °C, although battery capacity will decrease at low temperatures.
When the power input voltage to the DECAQ drops below the threshold voltage (which is typically 8.5 V), the DECAQ’s will be powered by the batteries. If the DECAQ runs from its battery, the battery LED will turn green. Once the system’s power input voltage rises above the threshold (typically 9.5 V), the UPS will automatically switch back to the DECAQ’s power input as its primary power supply.
| Mainframe | Number of Batteries |
|---|---|
| DECAQ 2-slot | 1 |
| DECAQ 3-slot | 1 |
| DECAQ 4-slot | 2 |
| DECAQ 6-slot | 3 |
| DECAQ 10-slot | 3 |
To ensure Li-Ion batteries are functioning at full capacity, it is recommended they be replaced every three years.
Mecalc does not repair batteries. Please ensure that defective or spent batteries are disposed of responsibly by recycling them at local recycling facilities in accordance with relevant local regulations.
For long-term storage, store the DECAQ battery at approximately 50 % – 70 % state of charge in a cool environment between 5 °C and 20 °C (41 °F to 68 °F). If the battery is stored for extended periods, recharge to 70% once every 6 months.
Before switching on the DECAQ, make sure it is being powered with an external power source or contains a charged battery.

Switch on the DECAQ via the User Interface by applying the following steps:

Switch off the DECAQ via the User Interface by applying the following steps:
Note: Take care not to switch off your DECAQ while it is running a test. The procedure above will shut down the system irrespective of whether a test is being run or not. Please ensure the test sequence has concluded before switching off the system, since valuable data may be lost if the test is still running.
The DECAQ can be connected to a Notebook / PC / network / smart device through Ethernet and/or Wi-Fi.
A built-in 2 MIMO streams IEEE 802.11b/g/n Wi-Fi network interface is available on the DECAQ. The Wi-Fi network interface can be used where truly mobile operation of the DECAQ is required.
The default configuration for the DECAQ Wi-Fi interface is:
Connect to the DECAQ with your compatible Wi-Fi device using the SSID mentioned above. To test connectivity, use the default IP address as the URL in a web browser, for example, http://192.168.2.204.
The default mDNS name may also be used in compatible web browsers, for example, http://Quantus_1234S5678.local.
The browser should then display the DECAQ’s “System Overview” page. The DECAQ’s start-up Wi-Fi interface configuration parameters can be edited in the Web Server’s network setting configuration pages.
Effective Wi-Fi data streaming rates of up to 2.7 MB/s can be achieved with your DECAQ. Please note that your DECAQ Wi-Fi connection performance is highly dependent on its connection settings, as well as environmental factors including (but not limited to) distance, interference and shared bandwidth.
Note: When configuring the Wi-Fi interface, the settings for “Country”, “IP address” and “Subnet mask” might be different depending on the country in which you are setting up the device.
A Gigabit Ethernet connection (1000 BASE-T) is available on the DECAQ’s front panel that can accept compatible Ethernet cables. When using Ethernet on the DECAQ use only a CAT5e UTP cable. This will ensure the correct screening of signals throughout the length of the cable.
The default configuration for the DECAQ Ethernet interface is:
To use the Ethernet interface, simply plug in an Ethernet cable. The DECAQ will automatically detect the Ethernet cable and initialize it as the primary network interface. Use a Gigabit Ethernet enabled link partner (network device or PC) for best performance.
To test connectivity to the DECAQ, use a web browser that supports mDNS and enter the URL “http://Quantus_1234S5678.local” (replace “1234S5678” with the Serial Number of the DECAQ).
The browser should then display the DECAQ “System Overview” page. The DECAQ’s start-up Ethernet interface configuration parameters can be edited in the Web Server’s network setting configuration pages.
Once booted, the User Interface can also be used to display the system’s IP address. The DECAQ Web Server can then be used (with the IP address as the URL) to make modifications to the network set-up.
Gigabit Ethernet over copper (1000BASE-T) connections allow for cable lengths of up to 100 m. If a longer connection distance is required, active repeaters need to be used at each 100 m interval.
| Parameter | Specification |
|---|---|
| Category | Cat6 or higher (e.g. Cat6A, Cat7, Cat8) cable and RJ45 connectors |
| Copper | 100 % Solid Bare Copper |
| Gauge | 23 AWG |
| Pairs | 4 |
| Speed | 1 Gbps up to 100 m (110 W PoE++ for PoE applications) |
| Wiring | T568B |
| Shielding | UTP (Typical) or Shielded (if needed in industrial environments) |
DECAQ system information is available on the Web Server. This includes all boards that make up the specific system, their serial numbers and firmware. The following DECAQ parameters are shown and can be configured via the Web Server:
Note: The user interface of the web server depends on the firmware version and some settings may not be applicable.
The DECAQ User Interface provides specific system
information and allows the user to perform certain vital commands. It is
found on the System board of the chassis and consists of a 128 x 32
graphic OLED, LEDs and two buttons (the Scroll
(
)
Button and the OK Button).
To control the User Interface, press the Scroll Button to scroll down the menu options shown on the display. Use the OK Button to select an item from the menu to execute its related command. As a safety feature the display might show ‘SURE?’, asking the user to confirm the command before the system will execute it.
Options on the User Interface will continue to loop if the user continues to press the Scroll Button.
The OLED display is automatically dimmed when no screen or User input activity has been detected.
Note: Do not switch off or reset the DECAQ while it is busy booting or while a firmware upgrade is taking place, as this could permanently damage the system. Wait for the User Interface to display ‘IDLE’, ‘LIVE’, ‘REC’ or ‘FAIL’ before executing additional commands.
The following menu options will be available on the User Interface display once the DECAQ has been switched on (to scroll through these options, press the Scroll Button until the option appears on the display):
![]() |
IDLE Default text displayed on the DECAQ User Interface |
![]() |
IP? Displays the mDNS name, IP address of LAN and Wi-Fi |
![]() |
RESET? Reset the DECAQ |
![]() |
OFF? Power down the DECAQ |
![]() |
TEMP? Power Supply temperature |
![]() |
INFO? Information and firmware revisions of the DECAQ |
![]() |
DEFAULT? Changes boot parameters of the DECAQ back to the system’s default settings |
The menu options on the User Interface cycle in a repetitive loop – press the Scroll Button to scroll from INFO? to IP? and so on.

To display the IP address on the User Interface display:

To reset the DECAQ:
Note: Resetting the system using this procedure overrides any operation currently being performed. The DECAQ will therefore be reset irrespective of whether a test is running or not, increasing the risk that valuable data may be lost.
See Switch Off the
DECAQ for more information.

To let the display show the status of the chassis temperature:
The display will show OK and thereafter the temperature of the chassis, for example 40 °C.

This menu option shows information and firmware versions related to the DECAQ.
To view the information:
Examples of the information displayed include:

To restore the system to its default boot parameters:
The default boot settings of the DECAQ System board are:
| LAN IP address | DHCP assigned IP address (will default to an Automatic Private IP address such as 169.254.119.144 if no DHCP Server is discovered) |
| LAN DHCP Mode | DHCP client enabled |
| WLAN IP address (if present) | 192.168.2.204 |
| WLAN DHCP Mode | DHCP server enabled |
| LAN / WLAN Bridged Mode | Disabled |
| FTP password | password |
| mDNS name | Quantus_[Serial number printed on the bottom of the system] |
![]() ![]() |
SWITCHED OFF / CHARGING While the DECAQ is switched off (and power is available) or charging the internal battery, the User Interface display will either be blank - or display CHARGING. |
![]() |
HELLO To switch on the DECAQ from
this state, press and hold the Scroll Button until
the LEDs flash and the User Interface displays
HELLO. |
When the DECAQ is switched on it will begin to boot up with firmware stored in its internal Flash memory. There are three stages to booting up correctly:
During boot up the device will show the following messages on the User Interface:
![]() |
BUSY This message is displayed when the system board is booting after Power On (cold boot) |
![]() |
BOOT This message is displayed while the System board is booting |
![]() |
PSU UPGRADE This message is displayed during the Power Supply firmware upgrade. The status LEDs will also flash yellow to indicate the system is still active. This process can take several minutes to complete. The User must not switch off the system during the upgrade. Power Supply firmware upgrades typically take place after the DECAQ has been programmed with new firmware. |
![]() |
FPGA UPGRADE This message is displayed during the FPGA firmware upgrade. The status LEDs will also flash yellow to indicate the system is still active. This process can take several minutes to complete. The User must not switch off the system during the upgrade. FPGA firmware upgrades typically take place after the DECAQ has been programmed with new firmware. |
![]() |
CPLD UPGRADE This message is displayed during the CPLD firmware upgrade. The status LEDs will also flash yellow to indicate the system is still active. This process can take several minutes to complete. The User must not switch off the system during the upgrade. CPLD firmware upgrades typically take place after the DECAQ has been programmed with new firmware. |
![]() |
WAIT This message is displayed when the system board starts to initialize the Signal Conditioning cards. |
![]() |
xx% This is the progress indicator displayed during the Signal Conditioning and Module boot-up. |
![]() |
IDLE This message will be displayed once the boot-up is complete |
![]() |
QSERVER This message will be displayed when QServer application is loaded running on the system |
![]() |
LIVE This message will be displayed when an application is loaded and running on the system |
The DECAQ User Interface’s LED’s indicate when the system is active and provides information about different DECAQ Ethernet, Battery and Power statuses.
Below find a brief explanation of each LED action and what it represents:
The Ethernet connector LED labeled “PTP” is used to indicate the status of the Ethernet link as well as the PTP synchronisation status of the system. The following table lists the different states of the LED.
| Solid / Flash / Off | Colour | Description |
|---|---|---|
| Off | N/A | Ethernet is not connected (connection faulty or cable disconnected). |
| Solid | Blue | Ethernet is connected. System is not PTP Slave, not PTP Master and does not have a synchronisation fault. |
| Solid | Green | Ethernet is connected and system is PTP Slave. |
| Solid | Red | Ethernet is connected but system has a synchronisation fault. |
| Flashing (1 Hz) | Green | Ethernet is connected and system is PTP Master but not PTP Grandmaster. |
| Flashing (0.5 Hz) | Green | Ethernet is connected. System is PTP Master and PTP Grandmaster. |
| Solid / Flash / Off | Colour | Description |
|---|---|---|
| Off | N/A | Battery power is not available / not present. |
| Solid | Blue | Battery power is available but isn’t being used to power the system. |
| Solid | Green | Battery is being used to power the system. |
| Solid | Yellow | Battery capacity is less than 25%. |
| Flashing (1 Hz) | Blue | Battery is busy charging. |
| Flashing (1 Hz) | Yellow | Battery capacity is less than 10%. |
| Flashing (1 Hz) | Red | Charging pending. Battery pack temperature is out of range and charge is suspended until battery pack temperature is valid for charging. |
The LED underneath the User Interface Display on the right is a “soft” LED. The meaning of the LED light changes depending on the application. It could be used to indicate standby / sleep / heartbeat / system activity – the application running on the system can overwrite this LED to indicate a condition.
| Solid / Flash / Off | Colour | Description |
|---|---|---|
| Off | N/A | External power not available. |
| Solid | Blue | External power is available but not being used to power the system. |
| Solid | Green | External power is being used to power the system. |
| Solid | Red | The power input voltage is above or below the allowed voltage range; or the polarity of the input supply is incorrect. Do not continue running the system, remove power cable and validate the input voltage. |
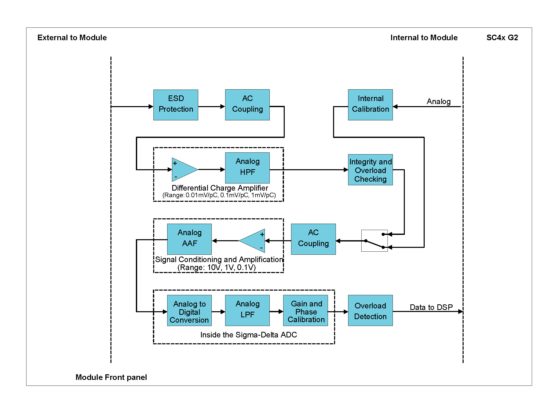
The DECAQ’s Signal Conditioning Modules are housed in the system’s Signal Conditioning boards, each board providing signal processing and mechanical infrastructure for up to 4 Modules.
These boards provide:
The DECAQ system contains multiple slots that support a variety of interchangeable Signal Conditioning channels (Modules), which can be purchased separately and then added and/or swapped as the need arises. Modules are packaged in a robust aluminium casing so as to optimize size and thermal performance, as well as to provide electronic protection.
All Modules include the following features:
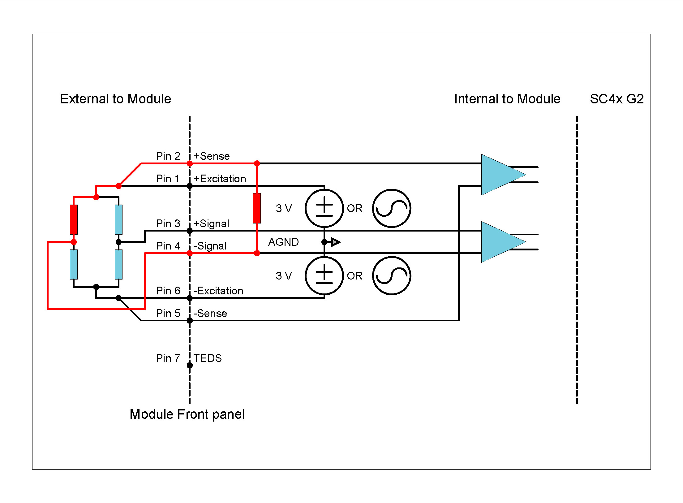
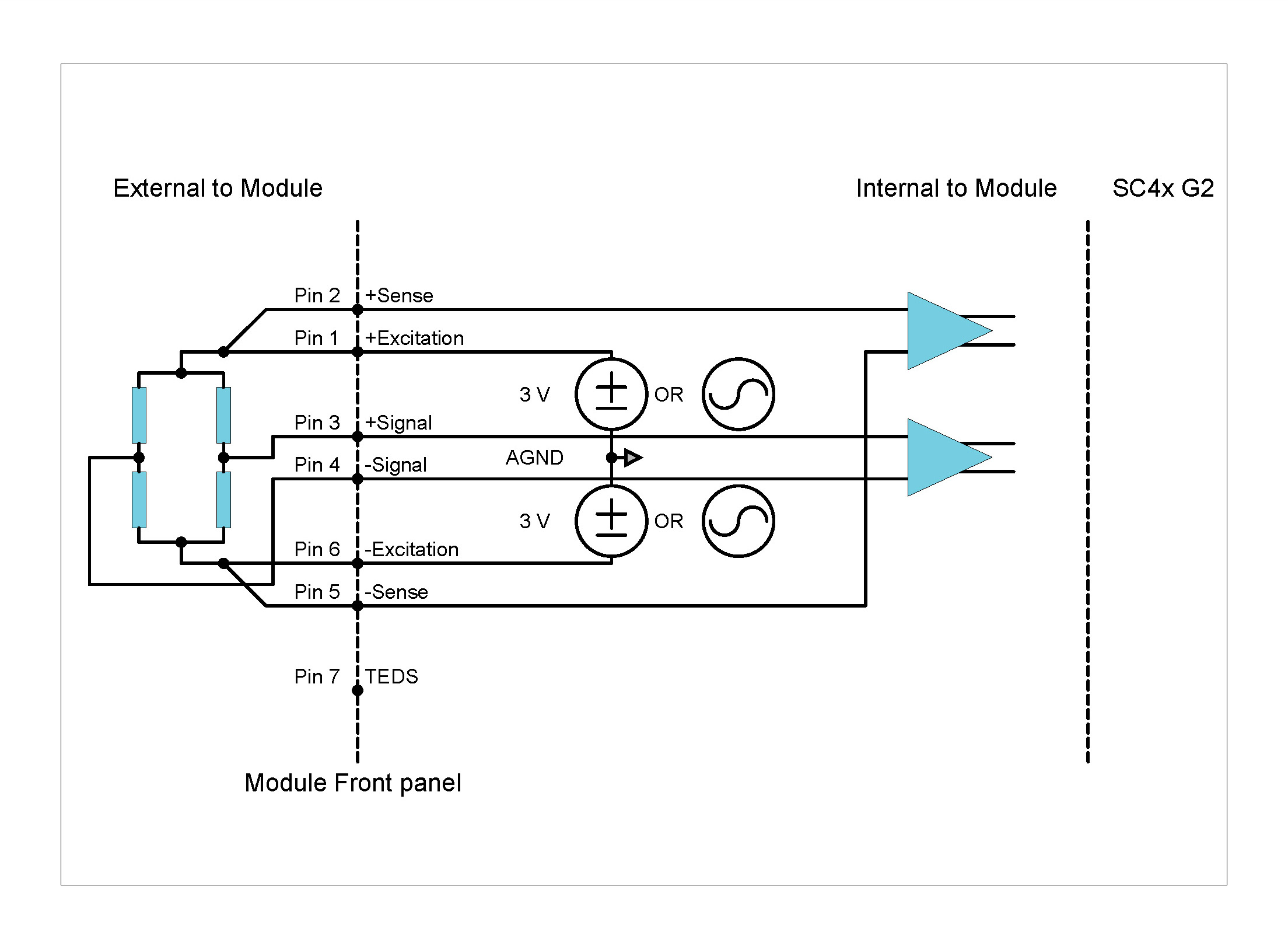
The ICS42 Module can be used with ICP® based accelerometers, force and pressure sensors as well as to measure analog voltages. All 6 channels operate independently of each other, each with their own setting of mode, gain and coupling. The Module can be used:
| Front Panel | Connector Information and Pin Definitions |
|---|---|
![]() |
![]() |
Note: All connectors are shown as if looking into the front panel’s connector or at the rear of the cable’s connector.
Note: The features and specifications may vary based on the software package utilized with the DECAQ.
| Interface | ICP® | ICP® sensors | |||
| ALI | For analog source voltages | ||||
| Input Coupling | ICP® | AC | |||
| ALI | DC or AC | ||||
| AC Coupling Frequency Response | ICP®/ALI | Attenuation | Min | Max | Unit |
| -3 dB | − | 0.16 | Hz | ||
| Other Sampling Rates | Available through digital LP filters and decimation | ||||
| Optional Programmable Digital IIR Filter | Band pass/stop: 6 dB/octave | ||||
| High/Low pass: 12 dB/octave | |||||
| Optional First Order High-Pass Filter | -3 dB @ 1 Hz | ||||
| Protection | ICP®/ALI | 2 kV ESD | |||
| ICP® | Short circuit between sensor case and ground | ||||
| Galvanic Isolation | 50 V | ||||
| Bandwidth | DC to 44.3 kHz | ||||
| Maximum Sampling Rate (fs) per channel | 102.4 kSa/s | ||||
| A/D Conversion | 24-bit | ||||
| Data Transfer | 24-bit | ||||
| Input Voltage Ranges (Peak) | ±100 mV; ±1 V; ±10 V | ||||
| ICP® mode | 4 mA constant current at 24 V excitation | ||||
| Input Biasing Settings | Differential Float (Balanced Float) | Both the positive and negative signal inputs are connected through 1 MΩ to floating ground | |||
| Single-Ended Float (Unbalanced Float) | Positive signal input connected through 1 MΩ to floating ground; Negative signal input connected to floating ground | ||||
| Single-Ended GND (Unbalanced GND) | Positive signal input connected through 1 MΩ to ground; Negative signal input connected to ground | ||||
| Input Impedance | Differential | 2 MΩ ‖ 80 pF | |||
| Single-Ended | 1 MΩ ‖ 100 pF | ||||
|
Digital Low-Pass Filter Filter scales with sampling rate |
Passband | fs x 0.433 Hz | |||
| Stopband | fs x 0.499 Hz | ||||
| Passband ripple | ±0.005 dB | ||||
| Stopband attenuation | 105 dB | ||||
|
Phase Accuracy Channels in similar range |
Typical 2 | <0.2° at 10 kHz> | |||
| DC Voltage Accuracy | Input Range (Peak) | Reading + % Range | ||
| ±100 mV | 0.200 % + 0.200 % | |||
| ±1 V | 0.068 % + 0.020 % | |||
| ±10 V | 0.113 % + 0.015 % | |||
|
Noise Input terminated by 50 Ω resistor |
Input Range (Peak) | Guaranteed | Typical | |
| 10 Hz to 22 kHz | ±100 mV | < 2.6 µVrms | < 2.2 µVrms | |
| 10 Hz to 44.3 kHz | < 4 µVrms | < 3 µVrms | ||
| 10 Hz to 22 kHz | ±1 V | < 9 µVrms | < 6 µVrms | |
| 10 Hz to 44.3 kHz | < 14 µVrms | < 10 µVrms | ||
| 10 Hz to 22 kHz | ±10 V | < 45 µVrms | < 40 µVrms | |
| 10 Hz to 44.3 kHz | < 113 µVrms | < 84 µVrms | ||
|
Dynamic Range3 Input terminated by 50 Ω resistor |
Input Range (Peak) | Typical | ||
| ±100 mV | > 120 dB | |||
| ±1 V | > 130 dB | |||
| ±10 V | > 130 dB | |||
|
Signal to Noise Ratio Input terminated by 50 Ω resistor |
Input Range (Peak) | Typical | ||
| ±10 V | > 104 dB; 22 kHz bandwidth | |||
|
Amplitude Flatness Relative to 1 kHz Measured up to 0.39 x fs |
Sampling Rate (fs) | Input Range (Peak) | Attenuation (Input signal level 100 % of full range) | |
| 51.2 kSa/s | ±100 mV | − 0.06 dB | ||
| 102.4 kSa/s | − 0.10 dB | |||
| 51.2 kSa/s | ±1 V | − 0.04 dB | ||
| 102.4 kSa/s | − 0.05 dB | |||
| 51.2 kSa/s | ±10 V | − 0.03 dB | ||
| 102.4 kSa/s | − 0.04 dB | |||
| Crosstalk | Input Range (Peak) | Guaranteed | Typical | |
| ±100 mV | 113 dB | 118 dB | ||
| ±1 V | 110 dB | 115 dB | ||
| ±10 V | 102 dB | 107 dB | ||
Specification number: SP151000, Release 2.4. The Module settings and measurement conditions that were used during specification measurements are available on request.
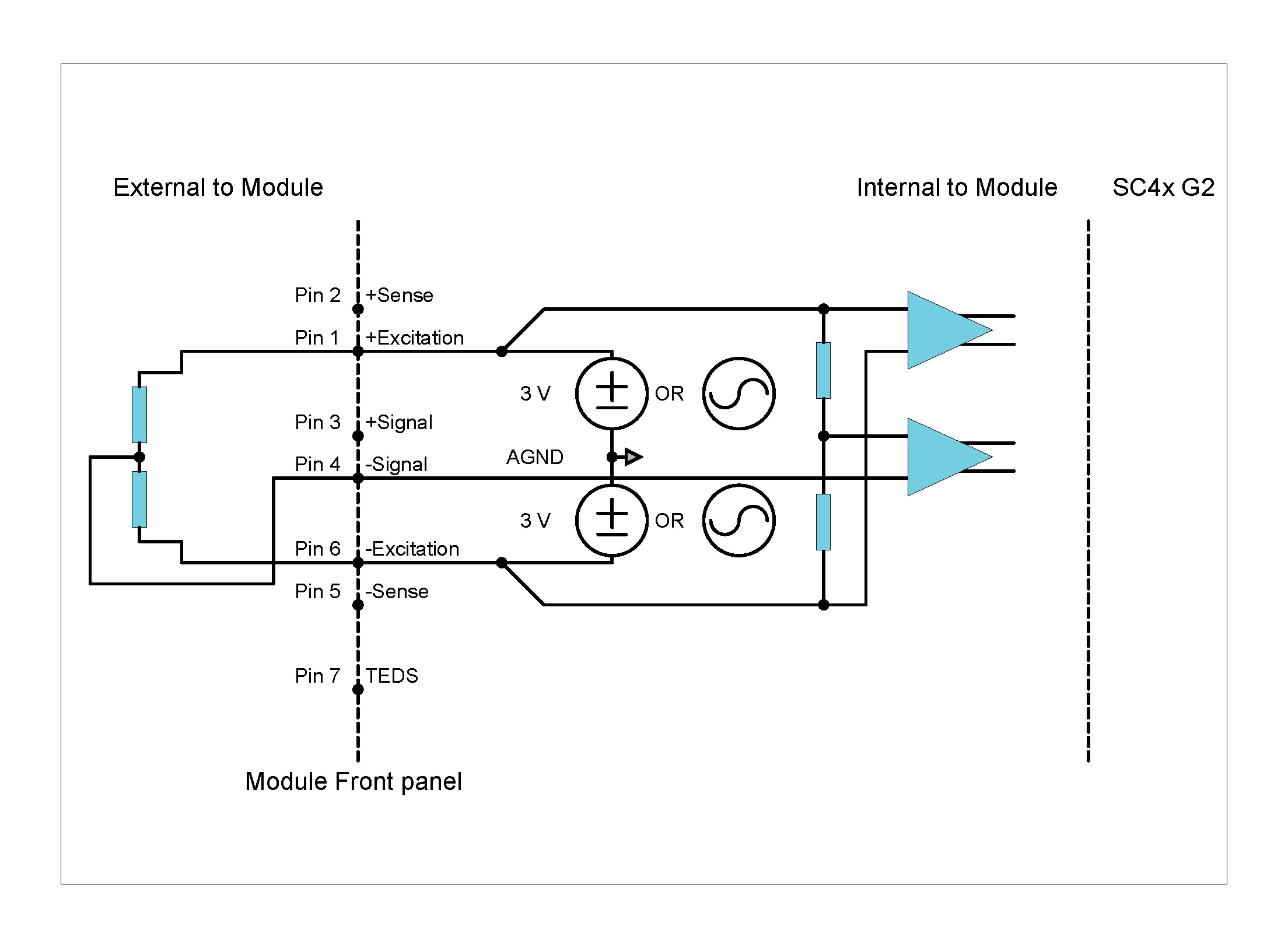
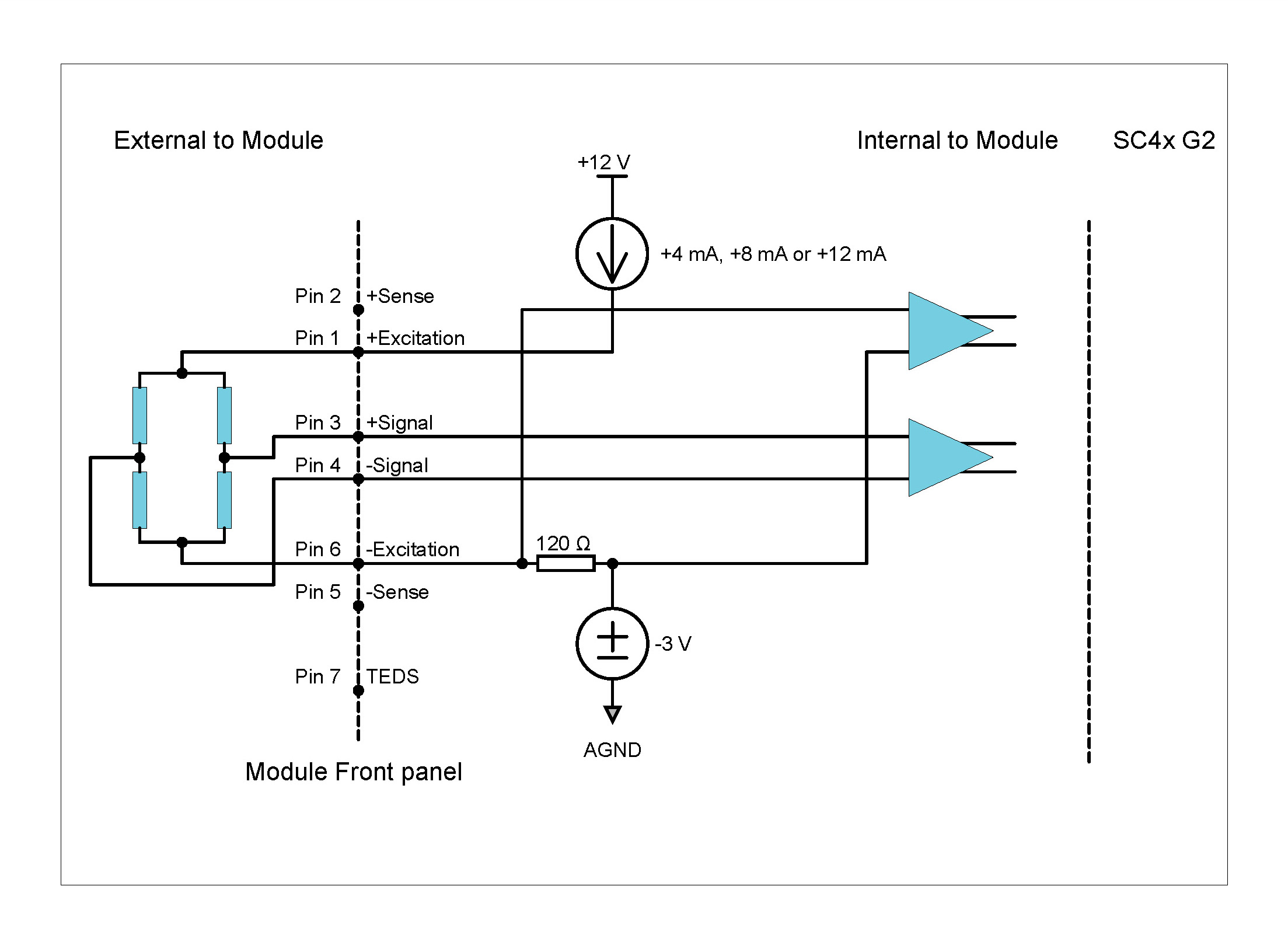
The ICS42 can accept inputs from single ICP® accelerometers as well as triaxial ICP® accelerometers. The connectors on the front panel are ideally designed to connect to two triaxial sensors per Module. The LEMO® 9-way EHG.0B connectors Module Pin Definition indicates where the signal connections of each X, Y and Z and the common return of the triaxial sensor can be connected.
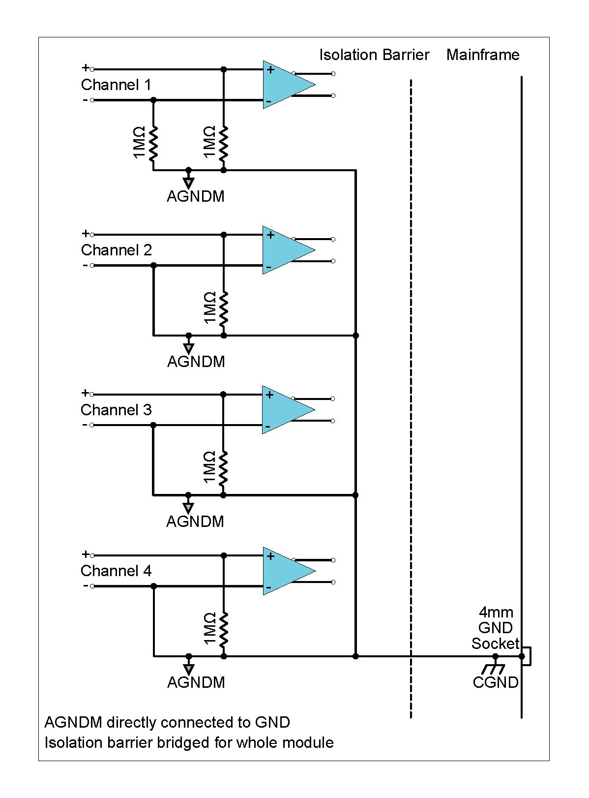
There are four ALI mode grounding options available on the ICS42:
Although each channel in the ICS42 can be set individually as to its grounding type, enabling the ground option on any one channel will cause the isolation barrier of the module to be bridged (i.e. on all six channels AGNDM will be directly connected to CGND).
There are two biasing options when using ICP® input mode with 4 mA current excitation, either differential of single-ended. The Biasing settings are independent of the grounding options. The following table shows the different possible settings for the ICS42 Module in ICP® input mode:
| Excitation voltage | Biasing settings | Grounding options |
|---|---|---|
| 24 V (Asymmetrical) | Differential | Ground or Floating ground |
| 24 V (Asymmetrical) | Single-ended | Ground or Floating ground |
ICS42 independent Module Settings in ICP® input mode with 4 mA current excitation
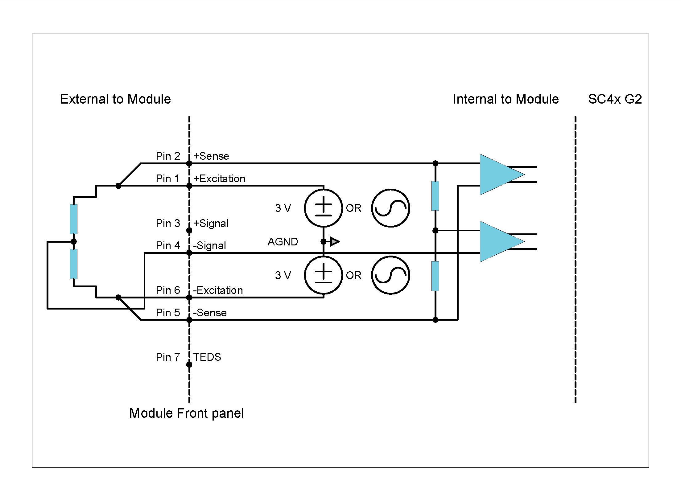
The CHS42X Module can be used with ICP® based accelerometers, force and pressure sensors, quartz or piezoelectric ceramic sensors or to measure analog voltages. The Module can be used:
| Front Panel | Connector Information and Pin Definitions |
|---|---|
![]() |
![]() |
ESD Warning: The CHS42X Module inputs are sensitive to ESD damage. Always take care to discharge any additional static electricity that might have built up on a cable and connector before making contact with the CHS42X Module.
Note: The features and specifications may vary based on the software package utilized with the DECAQ.
| Interface | ICP® | ICP® sensors | |||
| ALI | For analog source voltages | ||||
| Input Coupling | ICP® | AC | |||
| ALI | DC or AC | ||||
| AC Coupling Frequency Response | ICP®/ALI | Attenuation | Min | Max | Unit |
| -3 dB | - | 0.16 | Hz | ||
| Other Sampling Rates | Available through digital LP filters and decimation | ||||
| Optional First Order High-Pass Filter | -3 dB @ 1 Hz | ||||
| Module Calibration | Internal amplitude and phase calibration | ||||
| Protection | ICP®/ALI | 2 kV ESD | |||
| ICP® | Short circuit between sensor case and ground | ||||
| Galvanic Isolation | 50 V | ||||
| -3 dB Bandwidth | DC to 44.3 kHz | ||
| Maximum Sampling Rate (fs) per Channel | 102.4 kSa/s | ||
| A/D Conversion | 24-bit | ||
| Input Voltage Ranges (Peak) | ±100 mV; ±1 V; ±10 V | ||
| ICP® mode | 4 mA constant current at 24 V excitation | ||
| Input Biasing Settings | Differential Float (Balanced Float) | Both the positive and negative signal inputs are connected through 1 MΩ to floating ground | |
| Single-Ended Float (Unbalanced Float) | Positive signal input connected through 1 MΩ to floating ground; Negative signal input connected to floating ground | ||
| Single-Ended GND (Unbalanced GND) | Positive signal input connected through 1 MΩ to ground; Negative signal input connected to ground | ||
| Input Impedance | Differential | 2 MΩ ‖ 80 pF | |
| Single Ended | 1 MΩ ‖ 100 pF | ||
|
Digital Low-Pass Filter Filter scales with sampling rate |
Passband | fs x 0.433 Hz | |
| Stopband | fs x 0.499 Hz | ||
| Passband Ripple | ±0.005 dB | ||
| Stopband Attenuation | 105 dB | ||
|
Phase Accuracy for Voltage Input / ICP® Mode All channels in Voltage Input / ICP® mode |
Typical4 | ±0.2° at 10 kHz | |
|
Phase Accuracy for Charge and Voltage Input / ICP®
mode Channels in combination of Charge and Voltage Input / ICP® mode |
Typical56 | ±0.7° at 10 kHz | |
| DC Voltage Accuracy | Input Range (Peak) | Reading + % Range | ||
| ±100 mV | 0.200 % + 0.200 % | |||
| ±1 V | 0.068 % + 0.020 % | |||
| ±10 V | 0.113 % + 0.015 % | |||
|
Noise Input terminated by 50 Ω resistor |
Input Range (Peak) | Guaranteed | Typical | |
| 10 Hz to 22 kHz | ±100 mV | < 2.6 µVrms | < 2.2 µVrms | |
| 10 Hz to 44.3 kHz | < 4 µVrms | < 3 µVrms | ||
| 10 Hz to 22 kHz | ±1 V | < 9 µVrms | < 6 µVrms | |
| 10 Hz to 44.3 kHz | < 14 µVrms | < 10 µVrms | ||
| 10 Hz to 22 kHz | ±10 V | < 45 µVrms | < 40 µVrms | |
| 10 Hz to 44.3 kHz | < 113 µVrms | < 84 µVrms | ||
| Dynamic Range7 Input terminated by 50 Ω resistor | Input Range (Peak) | Typical | ||
| ±100 mV | > 120 dB | |||
| ±1 V | > 130 dB | |||
| ±10 V | > 130 dB | |||
|
Signal to Noise Ratio Input terminated by 50 Ω resistor |
Input Range (Peak) | Typical | ||
| ±10 V | > 104 dB; 22 kHz bandwidth | |||
|
Amplitude Flatness Relative to 1 kHz Measured up to 0.39 x fs |
Sampling Rate (fs) | Input Range (Peak) | Attenuation (Input signal level 100 % of full range) | |
| 51.2 kSa/s | ±100 mV | − 0.06 dB | ||
| 102.4 kSa/s | − 0.10 dB | |||
| 51.2 kSa/s | ±1 V | − 0.04 dB | ||
| 102.4 kSa/s | − 0.05 dB | |||
| 51.2 kSa/s | ±10 V | − 0.03 dB | ||
| 102.4 kSa/s | − 0.04 dB | |||
| Crosstalk | Input Range (Peak) | Guaranteed | Typical | |
| ±100 mV | 113 dB | 118 dB | ||
| ±1 V | 110 dB | 115 dB | ||
| ±10 V | 102 dB | 107 dB | ||
Note: The features and specifications may vary based on the software package utilized with the DECAQ.
| Interface | For piezoelectric sensors | ||
| Voltage Amplifier Range (Peak) | ±100 mV, ±1 V, ±10 V | ||
| Input Charge Range (Peak) | 1 mV/pC | ±10 000 pC | |
| 0.1 mV/pC | ±100 000 pC | ||
| 0.01 mV/pC | ±1 000 000 pC | ||
| -3 dB High Pass Frequency | 1 mV/pC | 0.16 Hz | |
| 0.1 mV/pC | 0.16 Hz | ||
| 0.01 mV/pC | 0.16 Hz | ||
| Other Sampling Rates | ±100 mV, ±1 V, ±10 V | ||
| Voltage Amplifier Range (Peak) | Available through digital LP filters and decimation | ||
| Optional First Order High-Pass Filter | -3 dB @ 1 Hz | ||
| Module Calibration | Internal amplitude and phase calibration | ||
| Protection | 1 kΩ series (inline) | ||
| Galvanic Isolation | 50 V | ||
| -3 dB Bandwidth | 1 Hz to 44.3 kHz | ||
| Maximum Sampling Rate (fs) per Channel | 102.4 kSa/s | ||
| A/D Conversion | 24-bit | ||
| Input Voltage Ranges (Peak) | ±100 mV; ±1 V; ±10 V | ||
| Sensitivity Ranges (Peak) | 1 mV/pC; 0.1 mV/pC; 0.01 mV/pC; | ||
| Input Biasing Settings | Single-Ended Float | Cable Shield Disconnected | Negative signal input (cable shield) connected to floating ground through 1 MΩ |
| Cable Shield Connected | Negative signal input (cable shield) connected to floating ground | ||
| Single-Ended GND | Cable Shield Disconnected | Negative signal input (cable shield) connected to ground through 1 MΩ | |
| Cable Shield Connected | Negative signal input (cable shield) connected to ground | ||
|
Digital Low-Pass Filter Filter scales with sampling rate |
Passband | fs x 0.433 Hz | |
| Stopband | fs x 0.499 Hz | ||
| Passband Ripple | ±0.005 dB | ||
| Stopband Attenuation | 105 dB | ||
|
Phase Accuracy for Charge Mode All channels in Charge mode |
Typical9, 10 | ±0.5° at 10 kHz | |
| Phase Accuracy for Charge and Voltage Input / ICP® ModeChannels in combination of Charge and Voltage Input / ICP® mode | Typical11 | ±0.7° at 10 kHz | |
|
Charge Mode AC Voltage Accuracy Measured at 1 kHz |
Input Range(Peak) | Sensitivity Range | % Range | ||
| ±100 mV | 0.01 mV/pC | 3.0 % | |||
| 0.1 mV/pC | 3.1 % | ||||
| 1 mV/pC | 2.7 % | ||||
| ±1 V | 0.01 mV/pC | 2.5 % | |||
| 0.1 mV/pC | 2.7 % | ||||
| 1 mV/pC | 1.9 % | ||||
| ±10 V | 0.01 mV/pC | 2.5 % | |||
| 0.1 mV/pC | 2.6 % | ||||
| 1 mV/pC | 2.1 % | ||||
|
Charge Mode Noise Measured open input with 1 mV/pC sensitivity range |
Input Range (Peak) | Guaranteed | Typical | ||
| 10 Hz to 22 kHz | ±100 mV | < 6.0 µVrms | < 5.0 µVrms | ||
| 10 Hz to 44.3 kHz | < 10 µVrms | < 8.0 µVrms | |||
| 10 Hz to 22 kHz | ±1 V | < 7.0 µVrms | < 6.5 µVrms | ||
| 10 Hz to 44.3 kHz | < 14.9 µVrms | < 12.1 µVrms | |||
| 10 Hz to 22 kHz | ±10 V | < 40 µVrms | < 35 µVrms | ||
| 10 Hz to 44.3 kHz | < 125 µVrms | < 89 µVrms | |||
| Charge Mode Noise Measured open input with 0.1 mV/pC sensitivity range | Input Range (Peak) | Guaranteed | Typical | ||
| 10 Hz to 22 kHz | ±100 mV | < 6.0 µVrms | < 5.5 µVrms | ||
| 10 Hz to 44.3 kHz | < 8.0 µVrms | < 7.5 µVrms | |||
| 10 Hz to 22 kHz | ±1 V | < 7.5 µVrms | < 6.5 µVrms | ||
| 10 Hz to 44.3 kHz | < 9.0 µVrms | < 8.5 µVrms | |||
| 10 Hz to 22 kHz | ±10 V | < 90 µVrms | < 65 µVrms | ||
| 10 Hz to 44.3 kHz | < 140 µVrms | < 105 µVrms | |||
|
Charge Mode Noise Measured open input with 0.01 mV/pC sensitivity range |
Input Range (Peak) | Guaranteed | Typical | ||
| 10 Hz to 22 kHz | ±100 mV | < 10 µVrms | < 9.5 µVrms | ||
| 10 Hz to 44.3 kHz | < 8.0 µVrms | < 7.0 µVrms | |||
| 10 Hz to 22 kHz | ±1 V | < 8.5 µVrms | < 7.5 µVrms | ||
| 10 Hz to 44.3 kHz | < 9.0 µVrms | < 8.5 µVrms | |||
| 10 Hz to 22 kHz | ±10 V | < 45 µVrms | < 35 µVrms | ||
| 10 Hz to 44.3 kHz | < 50 µVrms | < 40 µVrms | |||
| Charge Mode Dynamic Range12Measured from 50 Hz to 0.40 x fs | Input Range (Peak) | Typical | |||
| 0.01 mV/pC sensitivity range | 0.1 mV/pC sensitivity range | 1 mV/pC sensitivity range | |||
| ±100 mV | > 110 dB | > 110 dB | > 110 dB | ||
| ±1 V | > 130 dB | > 130 dB | > 130 dB | ||
| ±10 V | > 130 dB | > 130 dB | > 130 dB | ||
| Charge Mode Amplitude FlatnessMeasured from 50 Hz to 0.40 x fs | Sampling Rate (fs) | Input Range (Peak) | Attenuation (input signal level 100% of full range) | ||
| 0.01 mV/pC sensitivity range | 0.1 mV/pC sensitivity range | 1 mV/pC sensitivity range | |||
| 51.2 kSa/s | ±100 mV | − 0.35 dB | − 0.24 dB | − 0.48 dB | |
| 102.4 kSa/s | − 0.45 dB | − 0.77 dB | − 1.45 dB | ||
| 51.2 kSa/s | ±1 V | − 0.18 dB | − 0.22 dB | − 0.39 dB | |
| 102.4 kSa/s | − 0.76 dB | − 0.76 dB | − 0.96 dB | ||
| 51.2 kSa/s | ±10 V | − 0.22 dB | − 0.21 dB | − 0.41 dB | |
| 102.4 kSa/s | − 0.75 dB | − 0.80 dB | − 0.99 dB | ||
Specification number: SP200300, Release 1.3. Module settings and measurement conditions that were used during specification measurements are available on request.
On the front panel of the CHS42X a connector layout description can be found.
Connectors marked with an
will accept ICP® as
well as voltage input signals. Connectors marked with a
are capable of accepting charge signals.
The CHS42X can accept inputs from single ICP® accelerometers as well as triaxial ICP® accelerometers. The connectors on the front panel are ideally designed to connect to two triaxial sensors per Module. The LEMO® 9-way EHG.0B connectors Module pin definition indicates where the signal connections of each X, Y and Z and the common return of the triaxial sensor can be connected.
There are four ALI mode grounding options available on the CHS42X:
Although each channel in the CHS42X can be set individually as to its grounding type, enabling the ground option on any one channel will cause the isolation barrier of the module to be bridged (i.e., on all six channels AGNDM will be directly connected to CGND).
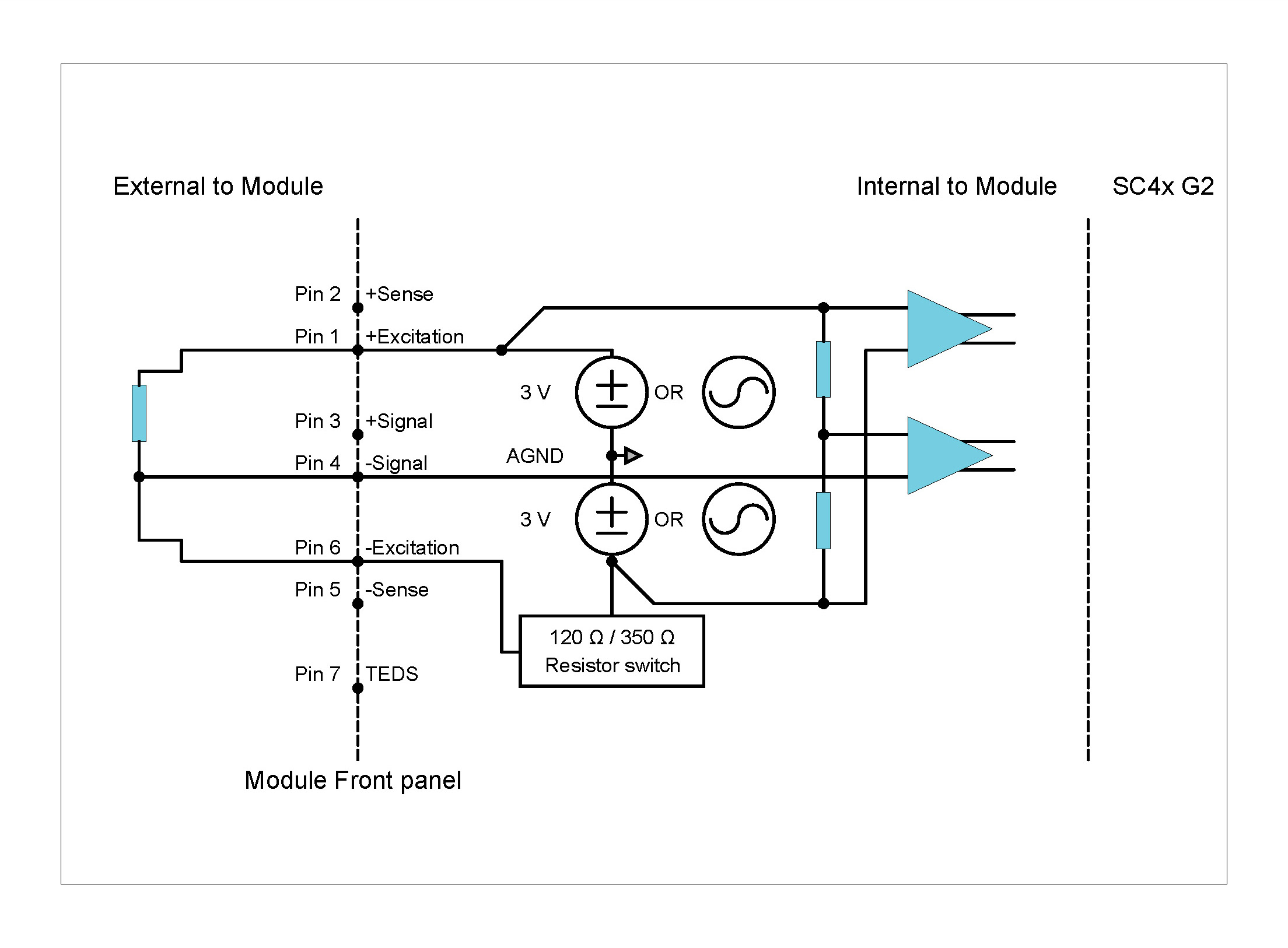
The CHS42X offers 4 grounding options. The grounding options are provided for reducing electromagnetic interference (EMI) that might be present on the sensor cables.
| CHS42X charge mode Grounding options: | |||
|---|---|---|---|
| Module | Cable Shield Connected | Industry Name | Shield to Chassis |
| *Floating | *No | Floating | 1 MΩ + 10 kΩ |
| Floating | Yes | - | 10 kΩ |
| Grounded | No | - | 1 MΩ |
| Grounded | Yes | Single-Ended | ~20 Ω |
*Default setting on Module startup. This combination provides a path for Electrostatic Discharge (ESD) to slowly discharge and will provide some protection against rapid ESD events that could damage the sensitive charge inputs.
The CHS42X can facilitate an ICP® input mode with a 4 mA current excitation. The Biasing settings are independent of the grounding options. The following table shows the different possible settings for the ICS42 Module in ICP® input mode:
| Excitation voltage | Biasing settings | Grounding options |
|---|---|---|
| 24 V (Asymmetrical) | Differential or single-ended | Ground or Floating ground |
CHS42X Module Settings in ICP® input mode with 4 mA current excitation
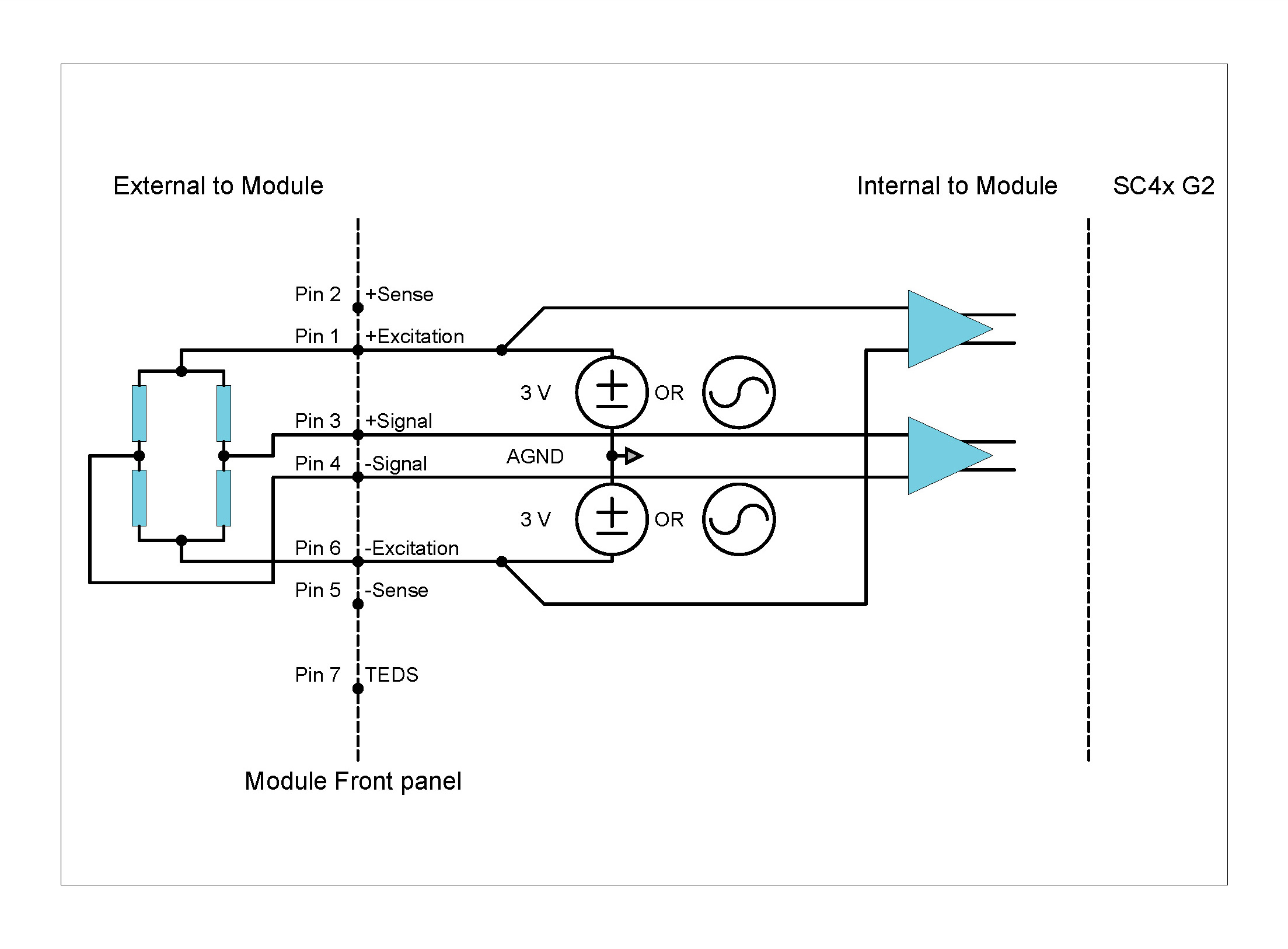
The CHG42S Module has 4 independent input channels for Quartz or Piezoelectric Ceramic sensors. These sensors are typically used when improved signal performance such as low noise and low distortion is required or where high temperature or nuclear radiation prevents the use of ICP® based sensors. Various grounding options allow for low noise measurements regardless of external grounding constraints. The Module can be used:
| Front Panel | Connector Information and Pin Definitions |
|---|---|
![]() |
![]() |
Note: All connectors are shown as if looking into the front panel’s connector or at the rear of the cable’s connector.
ESD Warning: The CHG42S Module inputs are sensitive to ESD damage. Always take care to discharge any additional static electricity that might have built up on a cable and connector before making contact with the CHG42S Module.
Note: The features and specifications may vary based on the software package utilized with the DECAQ.
| Interface | For piezoelectric sensors | ||
| Voltage Amplifier Range (Peak) | ±100 mV, ±1 V, ±10 V | ||
| Input Charge Range (Peak) | 0.1 mV/pC | ±100,000 pC | |
| 1 mV/pC | ±10,000 pC | ||
| 10 mV/pC | ±1,000 pC | ||
| -3 dB High-Pass Frequency | 0.1 mV/pC | 0.016 Hz | |
| 1 mV/pC | 0.016 Hz | ||
| 10 mV/pC | 0.16 Hz | ||
| Other Sampling Rates | Available through digital LP filters and decimation | ||
| Optional Programmable Digital IIR Filter |
Bandpass/stop : 6 dB/octave High/Low-pass : 12 dB/octave |
||
| Optional First Order High-Pass Filter | -3 dB @ 1 Hz | ||
| Module Calibration | Internal amplitude calibration | ||
| Protection | 1 kΩ series (inline) | ||
| Galvanic Isolation | 50 V | ||
| Bandwidth | DC to 90 kHz | ||
| Maximum Sampling Rate (fs) per Channel | 204.8 kSa/s | ||
| A/D Conversion | 24-bit | ||
| Data Transfer | 16/24-bit | ||
| Input Voltage Ranges (Peak) | ±100 mV; ±1 V; ±10 V | ||
| Sensitivity Ranges (Peak) | 0.1 mV/pC; 1 mV/pC; 10 mV/pC | ||
| Input Biasing Settings | Single-Ended Float | Cable Shield Disconnected | Negative signal input (cable shield) connected to floating ground through 1 MΩ |
| Cable Shield Connected | Negative signal input (cable shield) connected to floating ground | ||
| Single-Ended GND | Cable Shield Disconnected | Negative signal input (cable shield) connected to floating ground | |
| Cable Shield Connected | Negative signal input (cable shield) connected to ground | ||
|
Digital Low-Pass Filter Filter scales with sampling rate |
Passband | fs x 0.45 Hz | |
| Stopband | fs x 0.55 Hz | ||
| Passband Ripple | ±0.005 dB | ||
| Stopband Attenuation | 100 dB | ||
|
Phase Accuracy Channels in similar range |
Typical 13 | < 0.5° at 10 kHz | |
|
AC Voltage Accuracy Measured at 1 kHz |
Input Range (Peak) | Sensitivity Range | % Range Typical | ||
| ±100 mV | 0.1 mV/pC | 3.1 % | |||
| 1 mV/pC | 2.7 % | ||||
| 10 mV/pC | 2.7 % | ||||
| ±1 V | 0.1 mV/pC | 2.7 % | |||
| 1 mV/pC | 1.9 % | ||||
| 10 mV/pC | 2.5 % | ||||
| ±10 V | 0.1 mV/pC | 2.6 % | |||
| 1 mV/pC | 2.1 % | ||||
| 10 mV/pC | 2.6 % | ||||
|
Noise Measured open input with 0.1 mV/pC sensitivity range |
Input Range (Peak) | Guaranteed | Typical | ||
| 10 Hz to 23 kHz | ±100 mV | < 50 µVrms | < 46 µVrms | ||
| 10 Hz to 49 kHz | < 73 µVrms | < 68 µVrms | |||
| 10 Hz to 90 kHz | < 160 µVrms | < 144 µVrms | |||
| 10 Hz to 23 kHz | ±1 V | < 109 µVrms | < 81 µVrms | ||
| 10 Hz to 49 kHz | < 140 µVrms | < 116 µVrms | |||
| 10 Hz to 90 kHz | < 1085 µVrms | < 924 µVrms | |||
| 10 Hz to 23 kHz | ±10 V | < 460 µVrms | < 409 µVrms | ||
| 10 Hz to 49 kHz | < 1175 µVrms | < 859 µVrms | |||
| 10 Hz to 90 kHz | < 10816 µVrms | < 9114 µVrms | |||
|
Noise Measured open input with 1 mV/pC sensitivity range |
Input Range (Peak) | Guaranteed | Typical | ||
| 10 Hz to 23 kHz | ±100 mV | < 8.8 µVrms | < 6.2 µVrms | ||
| 10 Hz to 49 kHz | < 10 µVrms | < 8 µVrms | |||
| 10 Hz to 90 kHz | < 17.8 µVrms | < 15.3 µVrms | |||
| 10 Hz to 23 kHz | ±1 V | < 11.4 µVrms | < 8.5 µVrms | ||
| 10 Hz to 49 kHz | < 14.9 µVrms | < 12.1 µVrms | |||
| 10 Hz to 90 kHz | < 107 µVrms | < 92 µVrms | |||
| 10 Hz to 23 kHz | ±10 V | < 46 µVrms | < 41 µVrms | ||
| 10 Hz to 49 kHz | < 125 µVrms | < 89 µVrms | |||
| 10 Hz to 90 kHz | < 1077 µVrms | < 910 µVrms | |||
|
Noise Measured open input with 10 mV/pC sensitivity range |
Input Range (Peak) | Guaranteed | Typical | ||
| 10 Hz to 23 kHz | ±100 mV | < 9.1 µVrms | < 4.4 µVrms | ||
| 10 Hz to 49 kHz | < 9 µVrms | < 4.6 µVrms | |||
| 10 Hz to 90 kHz | < 9.1 µVrms | < 5.1 µVrms | |||
| 10 Hz to 23 kHz | ±1 V | < 8.9 µVrms | < 4.4 µVrms | ||
| 10 Hz to 49 kHz | < 8.8 µVrms | < 4.6 µVrms | |||
| 10 Hz to 90 kHz | < 8.2 µVrms | < 7.3 µVrms | |||
| 10 Hz to 23 kHz | ±10 V | < 8.6 µVrms | < 5.8 µVrms | ||
| 10 Hz to 49 kHz | < 13.2 µVrms | < 9.3 µVrms | |||
| 10 Hz to 90 kHz | < 108 µVrms | < 91 µVrms | |||
|
Charge Mode Dynamic Range14 Measured from 50 Hz to 0.40 x fs |
Input Range (Peak) | Typical | |||
| 0.01 mV/pC sensitivity range | 0.1 mV/pC sensitivity range | 1 mV/pC sensitivity range | |||
| ±100 mV | > 110 dB | > 110 dB | > 90 dB | ||
| ±1 V | > 130 dB | > 130 dB | > 110 dB | ||
| ±10 V | > 130 dB | > 130 dB | > 130 dB | ||
|
Amplitude Flatness Relative to 1 kHz Measured up to 0.39 x fs |
Sampling Rate (fs) | Input Range (Peak) |
Attenuation Input signal level 100 % of full range |
||
| 0.1 mV/pC sensitivity range | 1 mV/pC sensitivity range | 10 mV/pC sensitivity range | |||
| 51.2 kSa/s | ±100 mV | -0.12 dB | -0.19 dB | -0.88 dB | |
| 102.4 kSa/s | -0.44 dB | -0.70 dB | -2.88 dB | ||
| 204.8 kSa/s | -1.91 dB | -2.40 dB | -7.43 dB | ||
| 51.2 kSa/s | ±1 V | -0.15 dB | -0.14 dB | -0.86 dB | |
| 102.4 kSa/s | -0.47 dB | -0.52 dB | -2.82 dB | ||
| 204.8 kSa/s | -1.57 dB | -1.86 dB | -7.07 dB | ||
| 51.2 kSa/s | ±10 V | -0.14 dB | -0.14 dB | -0.79 dB | |
| 102.4 kSa/s | -0.45 dB | -0.51 dB | -2.66 dB | ||
| 204.8 kSa/s | -1.50 dB | -2.81 dB | -6.84 dB | ||
|
Crosstalk Measured with 0.1 mV/pC sensitivity range |
Input Range (Peak) | Guaranteed Range | Typical | ||
| ±100 mV | 83 dB | 88 dB | |||
| ±1 V | 93 dB | 98 dB | |||
| ±10 V | 90 dB | 95 dB | |||
|
Crosstalk Measured with 1 mV/pC sensitivity range |
Input Range (Peak) | Guaranteed Range | Typical | ||
| ±100 mV | 60 dB | 65 dB | |||
| ±1 V | 83 dB | 88 dB | |||
| ±10 V | 85 dB | 90 dB | |||
|
Crosstalk Measured with 10 mV/pC sensitivity range |
Input Range (Peak) | Guaranteed Range | Typical | ||
| ±100 mV | 41 dB | 46 dB | |||
| ±1 V | 62 dB | 67 dB | |||
| ±10 V | 67 dB | 72 dB | |||
Specification number: SP160200, Release 1.8. The Module settings
and measurement conditions that were used during specification
measurements are available on request.
Warning: When using Endevco cables it is recommended to remove the rubber O-ring on the CHG42S Module 10-32 connector as this could cause an intermittent electrical connection between the pin on the cable and the Module connector.
The CHG42S offers 4 grounding options. The grounding options are provided for reducing electromagnetic interference (EMI) that might be present on the sensor cables.
| CHG42S Grounding options: | |||
|---|---|---|---|
| Module | Cable Shield Connected | Industry Name | Shield to Chassis |
| *Floating | *No | Floating | 1 MΩ + 10 kΩ |
| Floating | Yes | - | 10 kΩ |
| Grounded | No | - | 1 MΩ |
| Grounded | Yes | Single-Ended | ~20 Ω |
*Default setting on Module startup. This combination provides a path for Electrostatic Discharge (ESD) to slowly discharge and will provide some protection against rapid ESD events that could damage the sensitive charge inputs.
The DCH42S Module has 2 independent differential input channels for Quartz or Piezoelectric Ceramic sensors. These sensors are typically used when improved signal performance such as low noise and low distortion is required or where high temperature and nuclear radiation prevents the use of ICP® based sensors. Additionally, a differential charge measurement offers further noise immunity and higher bandwidth and is particularly suited to applications using long cables. The Module can be used:
| Front Panel | Connector Information and Pin Definitions |
|---|---|
![]() |
![]() |
Note: All connectors are shown as if looking into the front panel’s connector or at the rear of the cable’s connector.
ESD Warning: The DCH42S Module inputs are sensitive to ESD damage. Always take care to discharge any additional static electricity that might have built up on a cable and connector before making contact with the DCH42S Module.
Note: The features and specifications may vary based on the software package utilized with the DECAQ.
| Interface | For piezoelectric sensors | ||
| Voltage Amplifier Ranges | ±100 mV, ±1 V, ±10 V (peak) | ||
| Input Charge Ranges | Single-Ended Mode | 0.1 mV/pC | ±100 000 pC (peak) |
| 1 mV/pC | ±10 000 pC (peak) | ||
| Differential Mode | 0.2 mV/pC | ±5 000 pC (peak) | |
| 2 mV/pC | ±50 000 pC (peak) | ||
| -3dB High Pass Frequency | Single-Ended Mode | 0.1 mV/pC | 0.16 Hz or 0.016 Hz |
| 1 mV/pC | 1.6 Hz or 0.16 Hz | ||
| Differential Mode | 0.2 mV/pC | 0.16 Hz or 0.016 Hz | |
| 2 mV/pC | 1.6 Hz or 0.16 Hz | ||
|
Phase Accuracy Channels in similar range |
Typical15 | < 0.5° at 10 kHz | |
| Other Sampling Rates | Available through digital LP filters and decimation | ||
| Optional Programmable Digital IIR Filter |
Band pass/stop : 6 dB/octave High/Low pass : 12 dB/octave |
||
| Optional First Order High-Pass Filter | -3 dB @ 1 Hz | ||
| Module Calibration | Internal amplitude calibration | ||
| Protection | 1 kΩ series (inline) | ||
| Galvanic Isolation | 50 V | ||
|
Digital Low-Pass Filter Filter scales with sampling rate |
Passband | fs x 0.45 Hz | |
| Stopband | fs x 0.55 Hz | ||
| Passband Ripple | ±0.005 dB | ||
| Stopband Attenuation | 100 dB | ||
The THM42 Module contains 8 channels for use with any thermocouple type as well as Pt100 sensors. Remote cold junction compensation is provided through a SubModule (which is thermocouple type specific) whilst linearization is provided in the signal conditioning board. The Module also includes a calibrated 0.2 mA current source for Pt100 sensor excitation.
SubModules are used with the Module which contains a pair of commonly used miniature E, J, K, and T thermocouple connectors (other types available upon request) with cold junction circuitry for thermocouple applications. Another SubModule contains a pair of LEMO® connectors for Pt100 applications. Any combination of applicable SubModules can be connected to the THM42 Module.
The THM42 Module also includes 8 channels for measuring voltage inputs up to ±10 V. The Module can be used:
| Front Panel | Connector Information and Pin Definitions |
|---|---|
![]() |
![]() |
Note: All connectors are shown as if looking into the front panel’s connector or at the rear of the cable’s connector.
Note:The features and specifications may vary based on the software package utilized with the DECAQ.
| Input Modes | Thermocouple and Pt100 | |
| Sensors | Any combination of thermocouple and Pt100 but the same type of sensor must be used for each channel pair | |
| Linearization |
Thermocouple linearization for types: Chromel®/Constantan (E, NiCr-CuNi) Iron/Constantan (J, Fe-CuNi) Chromel®/Alumel® (K, NiCr-NiAl) Copper/Constantan (T, Cu-CuNi) |
|
| Excitation | 0.2 mA Excitation current for Pt100 and cold-junction-compensation. Monitored internally for drift and offset errors. | |
| Maximum Common Mode Voltage | ±7 V | |
| Other Sampling Rates | Available through digital LP filters and decimation | |
| SubModules | Cable between Module and sensor wire with housing containing TEDS, cold-junction-compensation and sensor connector. Colour-coded according to thermocouple type. | |
| Module Calibration | Internal amplitude and phase calibration | |
|
Phase Accuracy Channels in similar range |
Typical 16 | < 1.5° at 1 kHz |
| Protection | 2 kV ESD | |
| Galvanic Isolation | 50 V | |
The ICT42 Module is a hybrid Module which combines 2 channels from the ICP42 Module with 2 Tacho input channels. The Tacho channels provide Tacho period measurements with a 20 ns resolution, sampled where the signal intersects its trigger level settings. Triggering of Tacho signals can be set for rising or falling edges with adjustable hysteresis whilst additionally providing AC coupling for sensors with varying DC voltage offsets. A 204.8 kSa/s scope mode is provided to view the Tacho signals in order to assist with the definition of trigger levels. The Module can be used:
| Front Panel | Connector Information and Pin Definitions |
|---|---|
![]() |
![]() |
![]() |
Note: All connectors are shown as if looking into the front panel’s connector or at the rear of the cable’s connector.
Note: The features and specifications may vary based on the software package utilized with the DECAQ.
Note: Please refer to the ICP42 Module for further details. Channels 1 and 2 have the same performance parameters as each channel of the ICP42 Module.
| Tacho Sensor | Voltage (Single-Ended or Differential) |
| Excitation Voltage Level |
Single-Ended Isolated (0 to 12 V) Differential (±12 V) |
| Excitation Maximum Current | 140 mA (fused) |
| Coupling | DC or AC |
| Input Resistance |
Single-Ended 120 kΩ Differential 240 kΩ |
| Over-voltage range | ±60 V |
| Trigger Accuracy | Threshold detection with hysteresis; 16-bit resolution |
| Minimum Pulse Width | 800 ns |
| Scope Mode | 2.048 kHz < fs < 204.8 kHz |
| Module Calibration | Internal amplitude and phase calibration |
| Protection | ESD 2 kV |
| Galvanic Isolation | 50 V |
|
Tacho Trigger Levels Minimum voltage difference between trigger levels |
±60 V: 2 V ±30 V: 1 V ±12 V: 0.5 V ±2 V: 0.1 V |
Channels 3 and 4 of the ICT42 Module are both Tacho as well as scope input channels. Each Tacho channel functions separately and is connected to its own Tacho sensor. Each scope channel displays the input of the Tacho channels. The scope channels can be configured to display a single Tacho channel.
As a standard, the ICT42 has a 4-pin LEMO® connector for each Tacho input at the Module front panel. Two of the LEMO® connector pins are for the Tacho signal. The two additional pins provide an excitation voltage that may be used as a power supply to external Tacho sensors. The Excitation+ and Excitation- lines are each protected against a current overload by a 140 mA self-resetting fuse. There are two options for the excitation output as shown in table below.
| Excitation Mode | Description | Diagram |
|---|---|---|
| Differential excitation | The Excitation+ and Excitation- lines are connected to +12 V and -12 V respectively, both positive and negative rails use AGNDM as 0 V reference | ![]() |
| Single-Ended isolated excitation | Excitation+ is connected to +12 V and Excitation- to an isolated ground | ![]() |
Each Tacho input channel of the ICT42 Module has the following grounding options:
The ICT42S Module is a hybrid Module which combines 2 channels from the advanced ICP42S Module with 2 advanced Tacho input channels. The Tacho channels provide Tacho period measurements with a 20 ns resolution, sampled where the signal intersects its trigger level settings. Triggering of Tacho signals can be set for rising or falling edges with adjustable hysteresis whilst additionally providing AC coupling for sensors with varying DC voltage offsets. A high speed 4.9 MSa/s scope mode is provided to view the Tacho signals in order to assist with the definition of trigger levels. The Module can be used:
| Front Panel | Connector Information and Pin Definitions |
|---|---|
![]() |
![]() |
![]() |
Note: All connectors are shown as if looking into the front panel’s connector or at the rear of the cable’s connector.
Note:The features and specifications may vary based on the software package utilized with the DECAQ.
Note: Please see the ICP42S Module for more details about the two ICP® or voltage input mode channels.Channels 1 and 2 have the same performance parameters as the first 2 channels of the ICP42S Module.
| Tacho Sensor | Voltage (Single-Ended or Differential) |
| Excitation Voltage Level |
Single-Ended Isolated (0 to 12 V) Differential (±12 V) |
| Excitation Maximum Current | 140 mA (fused) |
| Coupling | DC or AC |
| Input Resistance |
Single-Ended 120 kΩ Differential 240 kΩ |
| Over-voltage range | ±60 V |
| Trigger Accuracy | Threshold detection with hysteresis; 16-bit resolution |
| Minimum Pulse Width | 800 ns |
| Scope Mode | 2.048 kHz < fs < 4.9 MHz |
| Module Calibration | Internal amplitude and phase calibration |
| Protection | ESD 2 kV |
| Galvanic Isolation | 50 V |
|
Tacho Trigger Levels Minimum voltage difference between trigger levels |
±60 V: 2 V ±30 V: 1 V ±12 V: 0.5 V ±2 V: 0.1 V |
Channels 3 and 4 of the ICT42S Module are both Tacho as well as scope input channels. Each Tacho channel functions separately and is connected to its own Tacho sensor. Each scope channel displays the input of the Tacho channels. The scope channels can be configured to display a single Tacho channel.
As a standard, the ICT42S has a 4-pin LEMO® connector for each Tacho input at the Module front panel. Two of the LEMO® connector pins are for the Tacho signal. The two additional pins provide an excitation voltage that may be used as a power supply to external Tacho sensors. The excitation+ and excitation- lines are each protected against a current overload by a 140 mA self-resetting fuse. There are two options for the excitation output as shown in table below.
| Excitation Mode | Description | Diagram |
|---|---|---|
| Differential excitation | The Excitation+ and Excitation- lines are connected to +12 V and -12 V respectively, both positive and negative rails use AGNDM as 0 V reference | ![]() |
| Single-Ended isolated excitation | Excitation+ is connected to +12 V and Excitation- to an isolated ground | ![]() |
Each Tacho input channel of the ICT42S Module has the following grounding options:
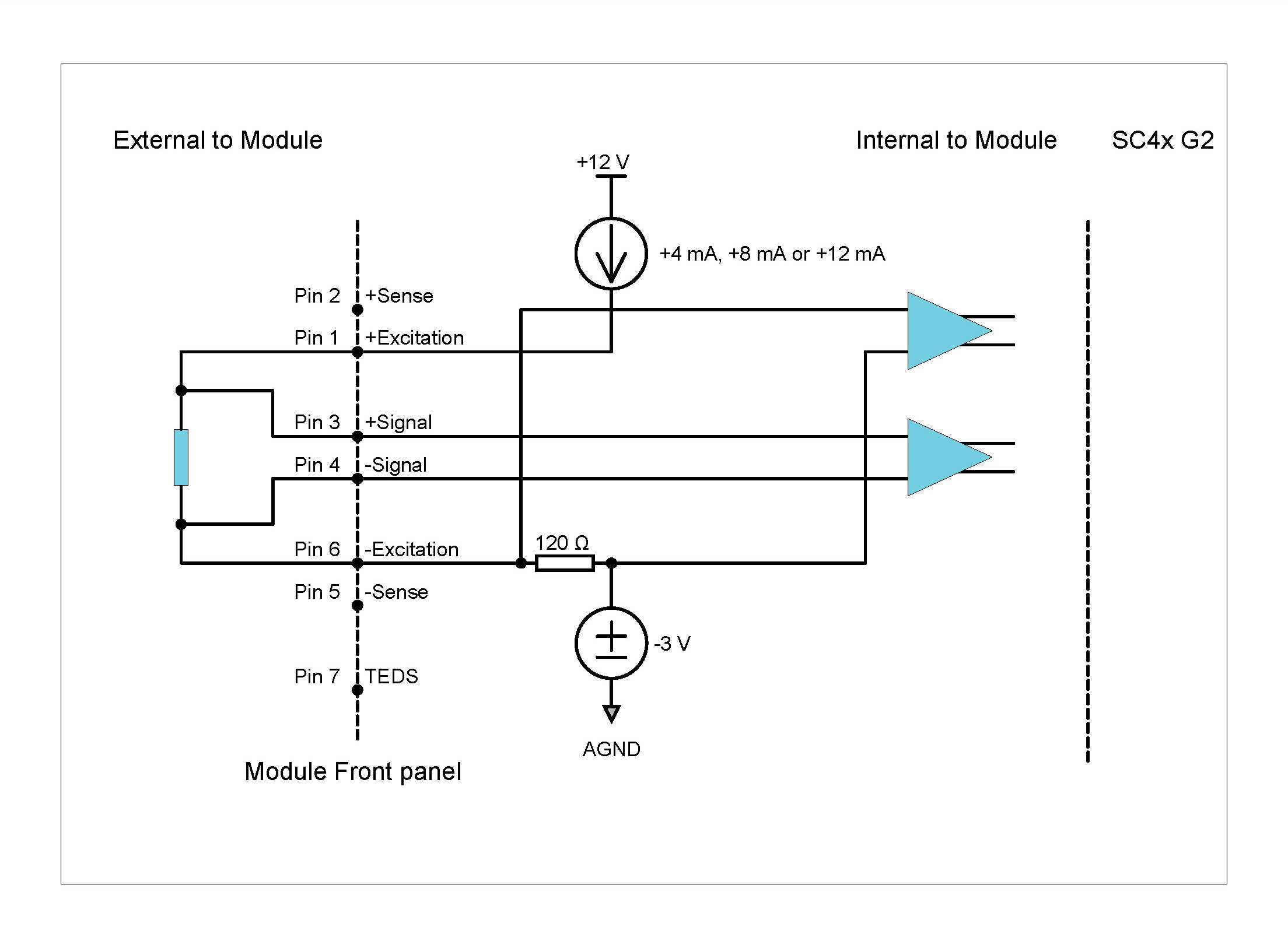
The ICP42 Module can be used with ICP® based accelerometers, force and pressure sensors as well as to measure analog voltages. All 4 channels operate independently of each other, each with their own setting of mode, gain and coupling. The Module can be used with:
| Front Panel | Connector Information and Pin Definitions |
|---|---|
![]() |
![]() |
Note: All connectors are shown as if looking into the front panel’s connector or at the rear of the cable’s connector.
Note:The features and specifications may vary based on the software package utilized with the DECAQ.
| Interface | ICP® | ICP® sensors | |||
| ALI | For analog source voltages | ||||
| Input Coupling | ICP® | AC | |||
| ALI | DC or AC | ||||
| AC Coupling Frequency Response | ICP® / ALI | Attenuation | Min | Max | Unit |
| -3 dB | - | 0.16 | Hz | ||
| Other Sampling Rates | Available through digital LP filters and decimation | ||||
| Optional Programmable Digital IIR Filter |
Band pass/stop : 6 dB/octave High/Low pass : 12 dB/octave |
||||
| Optional First Order High-Pass Filter | -3 dB @ 1 Hz | ||||
| Module Calibration | Internal amplitude and phase calibration | ||||
| Protection | ICP® / ALI | 2 kV ESD | |||
| ICP® | Short circuit between sensor case and ground | ||||
| Galvanic Isolation | 50 V | ||||
| Bandwidth | DC to 49 kHz | ||
| Maximum Sampling Rate (fs) per Channel | 102.4 kSa/s | ||
| A/D Conversion | 24-bit | ||
| Data Transfer | 16/24-bit | ||
| Input Voltage Ranges (Peak) | ±100 mV; ±1 V; ±10 V | ||
| ICP® mode | 4 mA constant current at 24 V excitation | ||
| Input Biasing Settings |
Differential Float (Balanced Float) |
Both the positive and negative signal inputs are connected through 1 MΩ to floating ground | |
|
Single-Ended Float (Unbalanced Float) |
Positive signal input connected through 1 MΩ to floating ground; Negative signal input connected to floating ground | ||
|
Single-Ended GND (Unbalanced GND) |
Positive signal input connected through 1 MΩ to ground; Negative signal input connected to ground | ||
| Input Impedance | Differential | 2 MΩ ‖ 200 pF | |
| Single-Ended | 1 MΩ ‖ 300 pF | ||
|
Digital Low-Pass Filter Filter scales with sampling rate |
Passband | fs x 0.45 Hz | |
| Stopband | fs x 0.55 Hz | ||
| Passband Ripple | ±0.005 dB | ||
| Stopband Attenuation | 100 dB | ||
|
Phase Accuracy Channels in similar range |
Typical17 | < 0.2° at 10 kHz | |
| DC Voltage Accuracy | Input Range (Peak) | Reading + % Range | ||
| ±100 mV | 0.275 % + 0.275 % | |||
| ±1 V | 0.062 % + 0.023 % | |||
| ±10 V | 0.089 % + 0.006 % | |||
|
Noise Input terminated by 50 Ω resistor |
Input Range (Peak) | Guaranteed | Typical | |
| 10 Hz to 23 kHz | ±100 mV | < 3.5 µVrms | < 2.5 µVrms | |
| 10 Hz to 49 kHz | < 4 µVrms | < 3 µVrms | ||
| 10 Hz to 23 kHz | ±1 V | < 10 µVrms | < 7 µVrms | |
| 10 Hz to 49 kHz | < 14 µVrms | < 10 µVrms | ||
| 10 Hz to 23 kHz | ±10 V | < 50 µVrms | < 41 µVrms | |
| 10 Hz to 49 kHz | < 85 µVrms | < 74 µVrms | ||
|
Dynamic Range18 Input terminated by 50 Ω resistor |
Input Range (Peak) | Typical | ||
| ±100 mV | >120 dB | |||
| ±1 V | >130 dB | |||
| ±10 V | >130 dB | |||
|
Amplitude Flatness Relative to 1 kHz Measured up to 0.39 x fs |
Sampling Rate (fs) | Input Range (Peak) | Attenuation (Input signal level 100 % of full range) | |
| 51.2 kSa/s | ±100 mV | − 0.04 dB | ||
| 102.4 kSa/s | − 0.10 dB | |||
| 51.2 kSa/s | ±1 V | − 0.05 dB | ||
| 102.4 kSa/s | − 0.07 dB | |||
| 51.2 kSa/s | ±10 V | − 0.04 dB | ||
| 102.4 kSa/s | − 0.05 dB | |||
| Crosstalk | Input Range (Peak) | Guaranteed | Typical | |
| ±100 mV | 113 dB | 118 dB | ||
| ±1 V | 110 dB | 115 dB | ||
| ±10 V | 102 dB | 107 dB | ||
Specification number: SP150601, Release 3.1. The Module settings and measurement conditions that were used during specification measurements are available on request.
The addition of a 24 V power rail to the ICP42 assures advancement in the overall grounding of the Module:
Although each channel in the ICP42 can be set individually as to its grounding type, enabling the single-ended ground option on any one channel will cause all four channels to be connected directly to ground. Software19 will automatically set the grounding type to single-ended ground when one of the channels has been configured in this way.
There are three grounding types when using ICP® input mode:
The ICP42S Module can be used with ICP® based accelerometers, force and pressure sensors as well as to measure analog voltages. All 4 channels operate independently of each other, each with their own setting of mode, gain and coupling. The ICP42S furthers the ICP42 by sharing many of the same features and advancing others. The Module can be used with:
| Front Panel | Connector Information and Pin Definitions |
|---|---|
![]() |
![]() |
Note: All connectors are shown as if looking into the front panel’s connector or at the rear of the cable’s connector.
Note:The features and specifications may vary based on the software package utilized with the DECAQ.
| Interface | ICP® | ICP® sensors | |||
| ALI | For analog source voltages | ||||
| Input Coupling | ICP® | AC | |||
| ALI | DC or AC | ||||
| AC Coupling Frequency Response | ICP®/ALI | Attenuation | Min | Max | Unit |
| -3 dB | - | 0.16 | Hz | ||
| Other Sampling Rates | Available through digital LP filters and decimation | ||||
| Optional Programmable Digital IIR Filter | Band pass/stop: 6 dB/octave | ||||
| High/Low pass: 12 dB/octave | |||||
| Optional First Order High-Pass Filter | -3 dB @ 1 Hz | ||||
| Module Calibration | Internal amplitude and phase calibration | ||||
| Protection | ICP®/ALI | 2 kV ESD | |||
| ICP® | Short circuit between sensor case and ground | ||||
| Galvanic Isolation | 50 V | ||||
| Bandwidth | DC to 100 kHz | ||
| Maximum Sampling Rate (fs) per Channel | 204.8 kSa/s | ||
| A/D Conversion | 24-bit | ||
| Data Transfer | 16/24-bit | ||
| Input Voltage Ranges (Peak) | ±100 mV; ±1 V; ±10 V; ±60 V | ||
| ICP® Mode | 4 mA; 8 mA or 12 mA constant current at 24 V excitation | ||
| Input Biasing Settings |
Differential Float (Balanced Float) |
Both the positive and negative signal inputs are connected through 1 MΩ to floating ground | |
|
Single-Ended Float (Unbalanced Float) |
Positive signal input connected through 1 MΩ to floating ground; Negative signal input connected to floating ground | ||
|
Single-Ended GND (Unbalanced GND) |
Positive signal input connected through 1 MΩ to ground; Negative signal input connected to ground | ||
| Input Impedance | Differential | 2 MΩ ‖ 200 pF | |
| Single-Ended | 1 MΩ ‖ 300 pF | ||
|
Digital Low-Pass Filter Filter scales with sampling rate |
Passband | fs x 0.45 Hz | |
| Stopband | fs x 0.55 Hz | ||
| Passband Ripple | ±0.005 dB | ||
| Stopband Attenuation | 100 dB | ||
|
Phase Accuracy Channels in similar range |
|
< 0.2° at 10 kHz | |
| DC Voltage Accuracy | Input Range (Peak) | % Reading + % Range | ||
| ±100 mV | 0.275 % + 0.275 % | |||
| ±1 V | 0.068 % + 0.023 % | |||
| ±10 V | 0.089 % + 0.006 % | |||
| ± 60 V | 1.187 % + 0.013 % | |||
|
Noise Input terminated by 50 Ω resistor |
Input Range (Peak) | Guaranteed | Typical | |
| 10 Hz to 23 kHz | ±100 mV | < 3.5 µVrms | < 2.5 µVrms | |
| 10 Hz to 49 kHz | < 4 µVrms | < 3 µVrms | ||
| 10 Hz to 100 kHz | < 12 µVrms | < 10 µVrms | ||
| 10 Hz to 23 kHz | 1 V | < 10 µVrms | < 7 µVrms | |
| 10 Hz to 49 kHz | < 14 µVrms | < 10 µVrms | ||
| 10 Hz to 100 kHz | < 90 µVrms | < 85 µVrms | ||
| 10 Hz to 23 kHz | ±10 V | < 50 µVrms | < 41 µVrms | |
| 10 Hz to 49 kHz | < 85 µVrms | < 74 µVrms | ||
| 10 Hz to 100 kHz | < 870 µVrms | < 840 µVrms | ||
| 10 Hz to 23 kHz | ±60 V | < 580 µVrms | < 470 µVrms | |
| 10 Hz to 49 kHz | < 780 µVrms | < 660 µVrms | ||
| 10 Hz to 100 kHz | < 4500 µVrms | < 4300 µVrms | ||
|
Dynamic Range 21 Input terminated by 50 Ω resistor |
Input Range (Peak) | Typical | ||
| ±100 mV | > 130 dB | |||
| ±1 V | > 130 dB | |||
| ±10 V | > 130 dB | |||
| ± 60 V | > 130 dB | |||
|
Amplitude Flatness Relative to 1 kHz Measured up to 0.39 x fs |
Sampling Rate (fs) | Input Range (Peak) | Attenuation (Input signal level 100 % of full range) | |
| 51.2 kSa/s | ±100 mV | − 0.04 dB | ||
| 102.4 kSa/s | − 0.10 dB | |||
| 204.8 kSa/s | − 0.32 dB | |||
| 51.2 kSa/s | ±1 V | − 0.05 dB | ||
| 102.4 kSa/s | − 0.07 dB | |||
| 204.8 kSa/s | − 0.18 dB | |||
| 51.2 kSa/s | ±10 V | − 0.04 dB | ||
| 102.4 kSa/s | − 0.05 dB | |||
| 204.8 kSa/s | − 0.10 dB | |||
| 51.2 kSa/s | ±60 V | − 0.05 dB | ||
| 102.4 kSa/s | − 0.09 dB | |||
| 204.8 kSa/s | − 0.26 dB | |||
| Crosstalk | Input Range (Peak) | Guaranteed | Typical | |
| ±100 mV | 113 dB | 118 dB | ||
| ±1 V | 110 dB | 115 dB | ||
| ±10 V | 102 dB | 107 dB | ||
| ±60 V | 84 dB | 89 dB | ||
Specification number: SP150600, Release 3.1. The Module settings and measurement conditions that were used during specification measurements are available on request.
The addition of a 24 V power rail to the ICP42S assures advancement in the overall grounding of the Module:
Although each channel in the ICP42S can be set individually as to its grounding type, enabling the single-ended ground option on any one channel will cause all four channels to be connected directly to ground. Software will automatically set the grounding type to single-ended ground when one of the channels has been configured in this way.
Similar to the ALI mode there are again three grounding types in ICP® input mode. With ICP® Input mode there is another configuration option, namely the amount of current excitation which can be provided to an attached sensor.
The WSB42X Module is used with AC and DC bridge measurements including strain gauges configured as full, half or quarter bridges and inductive displacement transducers (LVDT). The Module offers numerous software selectable features such as constant voltage (AC or DC) and constant current excitation (DC), bridge sensing, bridge completion resistors, shunt calibration, dynamic strain mode and ICP® sensor support. The bridge can be balanced on command or a previous balance value can be recalled. The Module can be used with:
| Front Panel | Connector Information and Pin Definitions |
|---|---|
![]() |
![]() |
Note: All connectors are shown as if looking into the front panel’s connector or at the rear of the cable’s connector.
Note:The features and specifications may vary based on the software package utilized with the DECAQ.
| Bridge Type | Resistive or inductive | ||||
| Interface | ICP® | ICP® sensors | |||
| ALI | For analog voltage sources | WSB | Wheatstone bridge sensors | ||
| Interface | ICP® | AC | |||
| ALI / WSB | DC or AC | ||||
| AC Coupling Frequency Response | ICP® / ALI / WSB | Attenuation | Min | Max | Unit |
| -3 dB | - | 1.5 | Hz | ||
|
Bridge Balancing Ranges for Voltage Excitation Represents minimum or maximum resistance of a single element if other three bridge elements remain at their nominal value |
Bridge Resistance | Excitation Voltage | Minimum Resistance | Maximum Resistance | |
| 120 Ω | 0.5 - 5 V | 0 Ω | Unlimited | ||
| 5.5 V | 6 Ω | 2520 Ω | |||
| 6 V | 11 Ω | 1320 Ω | |||
| 350 Ω | 0.5 - 5 V | 0 Ω | Unlimited | ||
| 5.5 V | 17 Ω | 7350 Ω | |||
| 6 V | 32 Ω | 3850 Ω | |||
| 1 kΩ | 8.5 V | 850 Ω | 3850 Ω | ||
| 9 V | 850 Ω | 3500 Ω | |||
| 9.5 V | 850 Ω | 3220 Ω | |||
| 10 V | 850 Ω | 3000 Ω | |||
|
Bridge Balancing Ranges for Current Excitation Represents minimum or maximum resistance of a single element if other three bridge elements remain at their nominal value |
Bridge Resistance | Excitation Current | Minimum Resistance (2-wire and 4-wire) | Maximum Resistance (2-wire) | Maximum Resistance (4-wire) |
| 120 Ω | 4 mA | 0 Ω | Unlimited | Unlimited | |
| 8 mA | 0 Ω | Unlimited | Unlimited | ||
| 12 mA | 0 Ω | Unlimited | Unlimited | ||
| 350 Ω | 4 mA | 0 Ω | Unlimited | Unlimited | |
| 8 mA | 0 Ω | 12000 Ω | 12000 Ω | ||
| 12 mA | 0 Ω | 2400 Ω | 2400 Ω | ||
| 1 kΩ | 4 mA | 0 Ω | 7660 Ω | 7660 Ω | |
| 8 mA | 48 Ω | 2810 Ω | 2810 Ω | ||
| 12 mA | 310 Ω | 2050 Ω | 1360 Ω | ||
|
Constant Current Excitation 2-Wire Signal± carries both signal and excitation AC coupled No current monitoring |
Excitation Current | Voltage Compliance | Maximum Sensor Resistance | ||
| 4 mA | 20 V | 5000 Ω | |||
| 8 mA | 20 V | 2500 Ω | |||
| 12 mA | 20 V | 1660 Ω | |||
|
Constant Current Excitation 4-Wire Signal± carries both signal and Excitation± carries excitation AC or DC coupled Current monitoring across ultra-precision resistor |
.
4 mA | 13 V | 3250 Ω | ||
| 8 mA | 13 V | 1620 Ω | |||
| 12 mA | 13 V | 1080 Ω | |||
|
Constant Voltage Excitation |
Excitation Voltage | Maximum Load Current | Voltage Resolution | Polarity | |
| < 6 V | < 90 mA | 0.2 mV | Bipolar (Balanced) | ||
| < 8 to 10 V | < 12 mA | 0.1 mV | Unipolar (Unbalanced) | ||
|
Other Sampling Rates |
Available through digital LP filters and decimation | ||||
|
Optional Programmable Digital IIR Filter |
Band pass/stop : 6 dB/octave | ||||
| High/Low pass : 12 dB/octave | |||||
|
Optional First Order High-Pass Filter |
-3 dB @ 1 Hz | ||||
| Protection | ICP® / ALI / WSB | 2 kV ESD on all lines | |||
| Overvoltage on signal lines | |||||
| ICP® | Short circuit between sensor case and ground | ||||
| WSB | Short circuit between excitation lines | ||||
|
Galvanic Isolation |
50 V | ||||
| Bandwidth | DC to 100 kHz | |||
| Maximum Sampling Rate (fs) per Channel | 204.8 kSa/s | |||
| A/D Conversion | 24-bit | |||
| Data Transfer | 16/24-bit | |||
| Input Voltage Ranges (Peak) | ±10 mV; ±100 mV; ±1 V; ±10 V | |||
| ICP® Mode | 4 mA; 8 mA or 12 mA constant current at ±12 V excitation | |||
| Input Biasing Settings | Differential Float (Balanced Float) | Both the positive and negative signal inputs are connected through 1 MΩ to floating ground | ||
| Input Impedance | 2.1 MΩ ‖ 1200 pF | |||
|
Shunt Calibration Resistor Between Signal- and Excitation+ / Sense+ |
Resistance | Tolerance | Temperature Drift | |
| 100 kΩ | 0.1 % | 5 ppm/°C | ||
| Internal Bridge Completion Resistors | Resistance | Tolerance | Temperature Drift | |
| 120 Ω or 350 Ω | 0.02 % | 0.2 ppm/°C | ||
|
Digital Low-Pass Filter Filter scales with sampling rate |
Passband | fs x 0.45 Hz | ||
| Stopband | fs x 0.55 Hz | |||
| Passband Ripple | ±0.005 dB | |||
| Stopband Attenuation | 100 dB | |||
|
Phase Accuracy Channels in similar range |
Typical 22 | < 0.2° at 10 kHz | ||
| Wheatstone Bridge Current-Excitation | Excitation Mode | % Excitation Mode + mA | ||
| 2-wire | 4 mA | 0.58 % + 0.025 mA | ||
| 8 mA | 0.38 % + 0.031 mA | |||
| 12 mA | 0.36 % + 0.042 mA | |||
| 4-wire | 4 mA | 0.58 % + 0.011 mA | ||
| 8 mA | 0.38 % + 0.018 mA | |||
| 12 mA | 0.36 % + 0.029 mA | |||
| Wheatstone Bridge Voltage-Excitation | Excitation Voltage | Maximum Error Voltage | ||
| < 6 V | ± 4 mV | |||
| 8 to 10 V | ± 4 mV | |||
| DC Voltage Accuracy | Input Range (Peak) | % Reading + % Range | ||
| ±10 mV | To be determined | |||
| ±100 mV | 0.12 % + 0.18 % | |||
| ±1 V | 0.08 % + 0.07 % | |||
| ±10 V | 0.08 % + 0.07 % | |||
|
Noise Input terminated by 50 Ω resistor |
Input Range (Peak) | Guaranteed | Typical | |
| 10 Hz to 23 kHz | ±10 mV | < 3.6 µVrms | < 2.9 µVrms | |
| 10 Hz to 49 kHz | < 5.8 µVrms | < 4.3 µVrms | ||
| 10 Hz to 100 kHz | < 6.9 µVrms | < 5.6 µVrms | ||
| 10 Hz to 23 kHz | ±100 mV | < 5.0 µVrms | < 4.4 µVrms | |
| 10 Hz to 49 kHz | < 10 µVrms | < 7.8 µVrms | ||
| 10 Hz to 100 kHz | < 82 µVrms | < 72 µVrms | ||
| 10 Hz to 23 kHz | ±1 V | < 5 µVrms | < 4.4 µVrms | |
| 10 Hz to 49 kHz | < 10 µVrms | < 7.8 µVrms | ||
| 10 Hz to 100 kHz | < 86 µVrms | < 74 µVrms | ||
| 10 Hz to 23 kHz | ±10 V | < 41 µVrms | < 37 µVrms | |
| 10 Hz to 49 kHz | < 86 µVrms | < 68 µVrms | ||
| 10 Hz to 100 kHz | < 755 µVrms | < 700 µVrms | ||
|
Dynamic Range 23 Input terminated by 50 Ω resistor |
Input Range (Peak) | Typical | ||
| ±10 mV | > 80 dB | |||
| ±100 mV | > 100 dB | |||
| ±1 V | > 110 dB | |||
| ±10 V | > 130 dB | |||
|
Amplitude Flatness Relative to 1 kHz Measured up to 0.39 x fs |
Sampling Rate (fs) | Input Range (Peak) |
Attenuation (Input signal level 100 % of full range) |
|
| 51.2 kSa/s | ±10 mV | − 0.03 dB | ||
| 102.4 kSa/s | − 0.07 dB | |||
| 204.8 kSa/s | − 0.18 dB | |||
| 51.2 kSa/s | ±100 mV | − 0.02 dB | ||
| 102.4 kSa/s | − 0.06 dB | |||
| 204.8 kSa/s | − 0.15 dB | |||
| 51.2 kSa/s | ±1 V | − 0.02 dB | ||
| 102.4 kSa/s | − 0.06 dB | |||
| 204.8 kSa/s | − 0.11 dB | |||
| 51.2 kSa/s | ±10 V | − 0.02 dB | ||
| 102.4 kSa/s | − 0.05 dB | |||
| 204.8 kSa/s | − 0.11 dB | |||
|
Amplitude Flatness Relative to 1 kHz with 1 kΩ source Measured up to 0.39 x fs |
Sampling Rate (fs) | Input Range (Peak) |
Attenuation (Input signal level 100 % of full range) |
|
| 51.2 kSa/s | ±10 mV | − 0.40 dB | ||
| 102.4 kSa/s | − 1.10 dB | |||
| 204.8 kSa/s | − 3.50 dB | |||
| 51.2 kSa/s | ±100 mV | − 0.31 dB | ||
| 102.4 kSa/s | − 1.06 dB | |||
| 204.8 kSa/s | − 3.20 dB | |||
| 51.2 kSa/s | ±1 V | − 0.30 dB | ||
| 102.4 kSa/s | − 1.06 dB | |||
| 204.8 kSa/s | − 3.21 dB | |||
| 51.2 kSa/s | ±10 V | − 0.30 dB | ||
| 102.4 kSa/s | − 1.05 dB | |||
| 204.8 kSa/s | − 3.18 dB | |||
| Crosstalk | Input Range (Peak) | Guaranteed | Typical | |
| ±10 mV | 68 dB | 73 dB | ||
| ±100 mV | 62 dB | 67 dB | ||
| ±1 V | 102 dB | 107 dB | ||
| ±10 V | 83 dB | 88 dB | ||
Specification number: SP150801, Release 3.2. The Module settings and measurement conditions that were used during specification measurements are available on request.
| Bandwidth | DC to 100 kHz | |||
| Maximum Sampling Rate (fs) per Channel | 204.8 kSa/s | |||
| A/D Conversion | 24-bit | |||
| Data Transfer | 16/24-bit | |||
| Input Voltage Ranges (Peak) | ±10 mV; ±100 mV; ±1 V; ±10 V | |||
| ICP® Mode | 4 mA; 8 mA or 12 mA constant current at ±12 V excitation | |||
| Input Biasing Settings | Differential Float (Balanced Float) | Both the positive and negative signal inputs are connected through 1 MΩ to floating ground | ||
| Input Impedance | 2.1 MΩ ‖ 80 pF | |||
|
Shunt Calibration Resistor Between Signal- and Excitation+ / Sense+ |
Resistance | Tolerance | Temperature Drift | |
| 100 kΩ | 0.1 % | 5 ppm/°C | ||
| Internal Bridge Completion Resistors | Resistance | Tolerance | Temperature Drift | |
| 120 Ω or 350 Ω | 0.02 % | 0.2 ppm/°C | ||
|
Digital Low-Pass Filter Filter scales with sampling rate |
Passband | fs x 0.45 Hz | ||
| Stopband | fs x 0.55 Hz | |||
| Passband Ripple | ±0.005 dB | |||
| Stopband Attenuation | 100 dB | |||
|
Phase Accuracy Channels in similar range |
Typical 24 | < 0.2° at 10 kHz | ||
| Wheatstone Bridge Current-Excitation | Excitation Mode | % Excitation Mode + mA | ||
| 2-wire | 4 mA | 0.58 % + 0.025 mA | ||
| 8 mA | 0.38 % + 0.031 mA | |||
| 12 mA | 0.36 % + 0.042 mA | |||
| 4-wire | 4 mA | 0.58 % + 0.011 mA | ||
| 8 mA | 0.38 % + 0.018 mA | |||
| 12 mA | 0.36 % + 0.029 mA | |||
| Wheatstone Bridge Voltage-Excitation | Excitation Voltage | Maximum Error Voltage | ||
| < 6 V | ± 4 mV | |||
| 8 to 10 V | ± 4 mV | |||
| DC Voltage Accuracy | Input Range (Peak) | % Reading + % Range | ||
| ±10 mV | To be determined | |||
| ±100 mV | 0.12 % + 0.18 % | |||
| ±1 V | 0.08 % + 0.07 % | |||
| ±10 V | 0.08 % + 0.07 % | |||
|
Noise Input terminated by 50 Ω resistor |
Input Range (Peak) | Guaranteed | Typical | |
| 10 Hz to 23 kHz | ±10 mV | < 3.6 µVrms | < 2.9 µVrms | |
| 10 Hz to 49 kHz | < 5.8 µVrms | < 4.3 µVrms | ||
| 10 Hz to 100 kHz | < 6.9 µVrms | < 5.6 µVrms | ||
| 10 Hz to 23 kHz | ±100 mV | < 5.0 µVrms | < 4.4 µVrms | |
| 10 Hz to 49 kHz | < 10 µVrms | < 7.8 µVrms | ||
| 10 Hz to 100 kHz | < 82 µVrms | < 72 µVrms | ||
| 10 Hz to 23 kHz | ±1 V | < 5 µVrms | < 4.4 µVrms | |
| 10 Hz to 49 kHz | < 10 µVrms | < 7.8 µVrms | ||
| 10 Hz to 100 kHz | < 86 µVrms | < 74 µVrms | ||
| 10 Hz to 23 kHz | ±10 V | < 41 µVrms | < 37 µVrms | |
| 10 Hz to 49 kHz | < 86 µVrms | < 68 µVrms | ||
| 10 Hz to 100 kHz | < 755 µVrms | < 700 µVrms |
Dynamic Range 25 Input terminated by 50 Ω resistor |
Input Range (Peak) | Typical |
| ±10 mV | > 80 dB | |||
| ±100 mV | > 100 dB | |||
| ±1 V | > 110 dB | |||
| ±10 V | > 130 dB | |||
|
Amplitude Flatness Relative to 1 kHz Measured up to 0.39 x fs |
Sampling Rate (fs) | Input Range (Peak) |
Attenuation (Input signal level 100 % of full range) |
|
| 51.2 kSa/s | ±10 mV | − 0.03 dB | ||
| 102.4 kSa/s | − 0.05 dB | |||
| 204.8 kSa/s | − 0.13 dB | |||
| 51.2 kSa/s | ±100 mV | − 0.02 dB | ||
| 102.4 kSa/s | − 0.03 dB | |||
| 204.8 kSa/s | − 0.08 dB | |||
| 51.2 kSa/s | ±1 V | − 0.02 dB | ||
| 102.4 kSa/s | − 0.03 dB | |||
| 204.8 kSa/s | − 0.08 dB | |||
| 51.2 kSa/s | ±10 V | − 0.02 dB | ||
| 102.4 kSa/s | − 0.03 dB | |||
| 204.8 kSa/s | − 0.07 dB | |||
|
Amplitude Flatness Relative to 1 kHz with 1 kΩ source Measured up to 0.39 x fs |
Sampling Rate (fs) | Input Range (Peak) |
Attenuation (Input signal level 100 % of full range) |
|
| 51.2 kSa/s | ±10 mV | − 0.20 dB | ||
| 102.4 kSa/s | − 0.50 dB | |||
| 204.8 kSa/s | − 0.85 dB | |||
| 51.2 kSa/s | ±100 mV | − 0.11 dB | ||
| 102.4 kSa/s | − 0.34 dB | |||
| 204.8 kSa/s | − 1.00 dB | |||
| 51.2 kSa/s | ±1 V | − 0.12 dB | ||
| 102.4 kSa/s | − 0.35 dB | |||
| 204.8 kSa/s | − 1.00 dB | |||
| 51.2 kSa/s | ±10 V | − 0.11 dB | ||
| 102.4 kSa/s | − 0.34 dB | |||
| 204.8 kSa/s | − 1.00 dB | |||
| Crosstalk | Input Range (Peak) | Guaranteed | Typical | |
| ±10 mV | 68 dB | 73 dB | ||
| ±100 mV | 62 dB | 67 dB | ||
| ±1 V | 102 dB | 107 dB | ||
| ±10 V | 83 dB | 88 dB | ||
The Module settings and measurement conditions that were used during specification measurements are available on request.
Input signals on the WSB42X are referenced to the Module’s internal ground only. In the figure below the Module’s internal ground is labelled as AGND and the chassis ground of the system is labelled as CGND. A potential difference of up to 50 V may exist between AGND and CGND. Differences in excess of 50 V will activate the Module’s protection circuits and clamp voltage differentials to within safe levels.
For shielded sensors connected to CGND, the positive and negative Signal lines can float to a maximum of 50 V above or below CGND.
A simplified diagram of the signal grounding is shown in the next figure.
This grounding method is applicable to all interface modes, ALI, ICP® and WSB and their individual sub modes.
Voltage excitation can be sensed using the sense lines (+Sense and -Sense). Sensing can be performed externally by connecting two dedicated sense lines from the Module to the bridge. Internal sensing refers to the measurement of the excitation voltage within the Module, without the need for external sense wires.
Voltage excitation is measured and digitized to 24-bit resolution using a dedicated ADC. The maximum sampling rate for the sense channel is 204.8 kSa/s under most conditions and generally mirrors the sample rate set for the signal channels.
Voltage excitation sensing allows for accurate initial setting of the excitation voltage.
The following diagrams illustrate voltage excited Wheatstone bridges with external and internal sensing for full, half and quarter bridges.
Exciting sensors with 12 mA from ±12 V supplies will add substantially to the Module power consumption. It is recommended that 12 mA excitation only be used to drive long cables in cases where high signal bandwidth is required. The diagrams illustrate typical connection setups for constant current excitation.
Shunt calibration is a means of simulating strain in a bridge. It is an accepted and useful way of checking the gain and accuracy of instrumentation without the need to expose the transducer to known physical input values.
Shunt calibration works by shunting a known resistor across one arm of a Wheatstone bridge. The resulting deviation in bridge output is expressed in mV/V or mV/mA of excitation.
Practically, data obtained from a shunt calibration can be used to check that the instrumentation is operating as expected, that the correct input range is selected and that the correct gauge and scaling factors are used in subsequent calculations.
Shunt calibration can be performed for the two bridge setups explained below.
The table below summarizes the shunt calibration outputs for unloaded bridges with negligible lead wire resistance and gauge factor equal to 2.
| Nominal Bridge Resistance (Ω) | Shunt Resistor (kΩ) | Voltage Excited Bridge Output (mV/V) | Current Excited Bridge Output (mV/mA) | Equivalent Microstrain (For a Bridge Factor of 1) | Simulation Type |
|---|---|---|---|---|---|
| 120 | 100 | 0.30 | 0.04 | 599 | Compression |
| 350 | 100 | 0.87 | 0.31 | 1744 | Compression |
| 1000 | 100 | 2.49 | 2.49 | 4950 | Compression |
An equivalent shunt calibration circuit for voltage excitation is illustrated in the figure below. The shunt resistor path is highlighted in red.
An equivalent shunt calibration circuit for current excitation is illustrated in the figure below. The shunt resistor path is highlighted in red.
In addition to providing microphone measurements, the MIC42X Module also offers ICP® and voltage input modes. The Module can be used:
| Front Panel | Connector Information and Pin Definitions |
|---|---|
![]() |
![]() |
Note: All connectors are shown as if looking into the front panel’s connector or at the rear of the cable’s connector.
Note:The features and specifications may vary based on the software package utilized with the DECAQ.
| Interface | ICP® | ICP® sensors | |||
| ALI / MIC | For analog source voltages or Microphones | ||||
| Input Coupling | ICP® | AC | |||
| ALI / MIC | DC or AC | ||||
| AC Coupling Frequency Response | ICP® / ALI / MIC | Attenuation | Min | Max | Unit |
| -3 dB | - | 0.16 | Hz | ||
| Other Sampling Rates | Available through digital LP filters and decimation | ||||
| Optional Programmable Digital IIR Filter | Band pass/stop: 6 dB/octave | ||||
| High/Low pass: 12 dB/octave | |||||
| Optional First Order High-Pass Filter | -3 dB @ 1 Hz | ||||
| Module Calibration | Internal amplitude and phase calibration | ||||
| Protection | 2 kV ESD | ||||
| Galvanic Isolation | 50 V | ||||
| Bandwidth | DC to 100 kHz | ||||
| Maximum Sampling Rate (fs) per channel | 204.8 kSa/s | ||||
| A/D Conversion | 24-bit | ||||
| Data Transfer | 16/24-bit | ||||
| Input Voltage Ranges (Peak) | ±120 mV; ±1.2 V; ±12 V | ||||
| ICP® mode | 4 mA; 8 mA or 12 mA constant current at 24 V excitation | ||||
| Input Biasing Settings | Differential Float (Balanced Float) | Both the positive and negative signal inputs are connected through 1 MΩ to floating ground (voltage input mode only) | |||
| Single-Ended Float (Unbalanced Float) | Positive signal input connected through 1 MΩ to floating ground; Negative signal input connected to floating ground | ||||
| Single-Ended GND (Unbalanced GND) | Positive signal input connected through 1 MΩ to ground; Negative signal input connected to ground | ||||
| Input Impedance | Differential | 2 MΩ ‖ 570 pF | |||
| Single-Ended | 1 MΩ ‖ 290 pF | ||||
|
Digital Low-Pass Filter Filter scales with sampling rate |
Passband | fs x 0.46 Hz | |||
| Stopband | fs x 0.54 Hz | ||||
| Passband ripple | fs = 48 kHz | ±0.001 dB | |||
| fs = 96 kHz | ±0.003 dB | ||||
| fs = 192 kHz | ±0.007 dB | ||||
| Stopband attenuation | 120 dB | ||||
|
Phase Accuracy Channels in similar range |
Typical [^j1] | < 0.2° at 10 kHz | |||
| DC Voltage Accuracy | Input Range (Peak) | % Reading + % Range | ||
| ±120 mV | 0.375 % + 0.125 % | |||
| ±1.2 V | 0.065 % + 0.020 % | |||
| ±12 V | 0.074 % + 0.024 % | |||
|
Noise Input terminated by 50 Ω resistor |
Input Range (Peak) | Guaranteed | Typical | |
| 10 Hz to 23 kHz | ±120 mV | < 1.9 µVrms | < 1.6 µVrms | |
| 10 Hz to 49 kHz | < 2.4 µVrms | < 2.1 µVrms | ||
| 10 Hz to 100 kHz | < 3.1 µVrms | < 2.8 µVrms | ||
| 10 Hz to 23 kHz | ±1.2 V | < 6.9 µVrms | < 4.8 µVrms | |
| 10 Hz to 49 kHz | < 7.8 µVrms | < 5.9 µVrms | ||
| 10 Hz to 100 kHz | < 8.8 µVrms | < 7.3 µVrms | ||
| 10 Hz to 23 kHz | ±12 V | < 19.7 µVrms | < 16.3 µVrms | |
| 10 Hz to 49 kHz | < 26.2 µVrms | < 22.4 µVrms | ||
| 10 Hz to 100 kHz | < 48 µVrms | < 37.4 µVrms |
Dynamic Range 26 Input terminated by 50 Ω resistor |
Input Range (Peak) | Typical |
| ±120 mV | > 120 dB | |||
| ±1.2 V | > 130 dB | |||
| ±12 V | > 140 dB | |||
|
Amplitude Flatness Relative to 1 kHz Measured up to 0.39 x fs |
Sampling Rate (fs) | Input Range (Peak) |
Attenuation (Input signal level 100 % of full range) |
|
| 51.2 kSa/s | ±120 mV | − 0.03 dB | ||
| 102.4 kSa/s | − 0.10 dB | |||
| 204.8 kSa/s | − 0.35 dB | |||
| 51.2 kSa/s | ±1.2 V | − 0.03 dB | ||
| 102.4 kSa/s | − 0.10 dB | |||
| 204.8 kSa/s | − 0.35 dB | |||
| 51.2 kSa/s | ±12 V | − 0.03 dB | ||
| 102.4 kSa/s | − 0.10 dB | |||
| 204.8 kSa/s | − 0.35 dB | |||
| Crosstalk | Input Range (Peak) | Guaranteed | Typical | |
| ±120 mV | 101 dB | 106 dB | ||
| ±1.2 V | 113 dB | 118 dB | ||
| ±12 V | 117 dB | 122 dB | ||
Specification number: SP151002, Release 2.0. The Module settings and measurement conditions that were used during specification measurements are available on request.
The figure below shows the effect on the Module input mode options when the CGND switch is closed. The isolation barrier will be bridged for the entire Module. Therefore, any channel connected in differential coupling will measure 1 MΩ to CGND and any channel connected in single-ended coupling will be connected with the single-ended GND (unbalanced GND) option.
The ALO42S Module provides four independent output channels for the generation of analog signals. Each channel also incorporates Status Input and Output signals, enabling further communication with external equipment for applications such as test supervision or workflow control. The ALO42S Module can be used for applications such as:
| Front Panel | Connector Information and Pin Definitions |
|---|---|
![]() |
![]() |
Note: All connectors are shown as if looking into the front panel’s connector or at the rear of the cable’s connector.
Note: The features and specifications may vary based on the software package utilized with the DECAQ.
| Signal Pairs | Module Status + | Module Status - | |
| DUC Status + | DUC Status - | ||
| Signal + | Signal - | ||
| 5 V or 12 V DC | Signal - | ||
|
Device Under Control Status Input Input voltage range: 0 V to 24 V |
Sampling Rate | 15.6 kSa/s | |
| Resolution | 12 bits | ||
| Module Status Output Options | Status |
Relay max 24 V input |
DC Voltage Output 5 V or 12 V |
| Good | Close relay | DC voltage output | |
| Bad | Open relay | No voltage output | |
| DC Voltage Output | Output Voltage | 5 V or 12 V | |
| Output Current | 15 mA (max) | ||
| SubModules | The Quad BNC (QBNC11) SubModule is used to split signals from a 7-way LEMO® connector to 4 BNC connectors. | ||
| The ALOP10 is a rack-mountable SubModule for routing the analog output signals from up to 8 ALO42S Modules to individual male SMB connectors. | |||
| Other Sampling Rate | Available through digital LP filters and decimation | ||
| Module Calibration | Internal amplitude calibration | ||
| Output Biasing Settings | Single-Ended Float or Single-Ended GND (per Module) | ||
| Protection | 2 kV ESD | ||
| Galvanic Isolation | 50 V | ||
| Maximum Sampling Rate (fs) per channel | 204.8 kSa/s | |
| D/A Conversion | 24-bit | |
| Output Voltage Ranges (Peak) | ±10 V | |
|
Phase Accuracy Channels in similar range |
Typical27 | < 0.5° at 10 kHz |
| DC Voltage Accuracy | Output Range (Peak) | % Range |
| ±10 V | 0.27 % | |
| Frequency Accuracy | Output Frequency | % Output Frequency |
| > 100 Hz | 0.025 % | |
The Device Under Control (DUC) is connected to the ALO42S through a 7-pin LEMO® connector.
The LEMO® connector on the ALO42S makes contact with the cable shield connecting the DUC. Due to this fact, the shield should be broken on the DUC side, so that the DUC is not connected to the system Chassis Ground.
This LEMO® connector is also connected to the 4 mm Chassis Ground socket on the front right foot of the DECAQ, the Ethernet connector shield and the negative DECAQ power supply pin.
The CAN42S Module provides interfaces to two CAN or CAN FD (CAN with Flexible Data-Rate) busses. CAN FD is an extension of the original CAN (Controller Area Network) protocol, which allows for higher data bandwidth. Messages received from CAN are time-stamped to synchronise their reception with analog and digital measurements from other Modules in the system. A self-reception of sent messages is provided as well as three operational modes, including Participate mode, Listen-Only mode, Self-Reception of sent messages and Loopback mode. The CAN42S Module features independent channel filtering and can be used:
| Front Panel | Connector Information and Pin Definitions |
|---|---|
![]() |
![]() |
Note: 1. All connectors are shown as if looking into the front panel’s connector or at the rear of the cable’s connector.
2. Pin 6 – CAN Ground Channel 1 and CAN Ground Channel 2 are isolated from each other.
The CANC10 SubModule can be used to connect a CAN42S Module to a CAN or CAN FD network. It provides the interface between the 7-pin LEMO® connector on the CAN42S Module and the 9-pin D-sub connector on the CAN or CAN FD network.
Two cable lengths are available when connecting to a CAN FD network:
Note: The features and specifications may vary based on the software package utilized with the DECAQ.
The CAN Module contains two channels that are implemented by its firmware to act as inputs or outputs (channel 1 – input/output 1; channel 2 – input/output 2). A software selectable 120 Ω bus termination is available per channel.
The CAN42S conforms to ISO 11898-1:2015 and to CAN 2.0 B (with support for 11-bit and 29-bit identifiers). Time stamping is executed on each message received which allows CAN messages to be synchronised with the rest of the measurement data.
The FLX42 Module provides an interface to connect to a FlexRayTM network for the monitoring of FlexRayTM based messages and interfacing with FlexRayTM based sensors. The FLX42 Module contains two dependent FlexRayTM channel interfaces to support either single channel or dual channel topologies. For the transmission and reception of FlexRayTM messages, selectable bit rates of 2.5, 5, 8 or 10 Mbit/s are available. The FLX42 Module provides independent channel filtering and provides status and error information to the user. The Module can be used:
| Front Panel | Connector Information and Pin Definitions |
|---|---|
![]() |
![]() |
Note: All connectors are shown as if looking into the front panel’s connector or at the rear of the cable’s connector.
The FLXB20 SubModule can be used to connect the FLX42 Module to a FlexRayTM network.
Two cable lengths are available when connecting to a FlexRayTM network:
Note:The features and specifications may vary based on the software package utilized with the DECAQ.
| Module Connectors | LEMO® EHG.0B.307 |
| Channel Configuration | 2 dependent channels – Dual Channel Device or Single Channel Device (connector 2 disabled) |
| Operational Modes | Listen-Only Mode / Participate Mode |
| FlexRayTM Compliance |
FlexRayTM Protocol Specification
V2.1A. FlexRayTM Electrical Physical Layer Specification V2.1A |
| Termination | Software selectable 110 Ω termination per channel |
| FlexRayTM Transceivers | NXP TJA1080 |
| FlexRayTM Controller | Freescale MFR4310 |
| FlexRayTM Controller Clock Frequency | 40 MHz |
| FlexRayTM Bit Rate Range | 2.5, 5, 8 or 10 Mbit/s (bandwidth limited at 10 Mbit/s in dual channel mode) |
| Timestamp Resolution | 38.1 ns to 59.6 ns |
| Galvanic Isolation | 50 V |
| Operational Temperature | -25 °C to 80 °C |
FLX42 Specifications
The FLX42 Module contains two dependent FlexRayTM channel interfaces to support either the single or dual channel topologies.
The MFR4310 communication controller and TJA1080 transceivers are used on the FLX42 Module. They support the transmission and reception of FlexRayTM messages over a FlexRayTM network with selectable bit rates of 2.5, 5, 8 or 10 Mbit/s.
The FLX42 Module supports independent channel filtering and provides status and error information to the User.
The FLX42 has:
The GPS42S provides accurate GPS time and position data to QuantusSeries systems. Accurate timing information is in the form of a pulse per second (pps) logical signal. The GPS42S can also be used for synchronisation purposes. Here the GPS42S Module provides the System Controller with the pps signal to align its internal clock. Systems with this capability are able to synchronise with one another without limitations as to their position or the total number of systems. The Module can be used when:
| Front Panel | Connector Information and Pin Definitions |
|---|---|
![]() |
![]() |
Note: All connectors are shown as if looking into the front panel’s connector or at the rear of the cable’s connector.
Note:The features and specifications may vary based on the software package utilized with the DECAQ.
| Number of Channels | 1 |
| Antenna Voltage | 3.3 V |
| Input Connector | SMA |
| Receiver Type | 56 channels GPS L1C/A SBAS L1C/A QZSS L1C/A GALILEO E1B/C |
| Max Update Rate | 4 Hz |
| Position Accuracy | Autonomous 2.5 m CEP, SBAS 2.0 m CEP28 |
| Acquisition Time |
Cold Start: 29 s; Warm Start: 28 s; Hot Start: < 1 s |
| Available Protocols | NMEA |
| Operational Limits |
Altitude: < 50 000 m, Velocity < 500 m/s |
| Specified Antenna | ANN-ST-O-005-0 GPS antenna from U-BLOX AG, Switzerland |
| Time stamping of received GPS time and position data | 5 μs |
The GPS42S is specified for use with the ANN-ST-0-005-0 GPS antenna29. This antenna is an active GPS antenna with a 5 m cable and an SMA Male connector.
The GPS42S implements a real-time differential correction method known as SBAS. SBAS provides correction data for visible satellites as follows:
Using SBAS will allow the GPS42S to achieve an accuracy of < 2.0 m when using circular error probability (CEP). CEP is the probability that 50% of the corrections to the position are within the radius of a horizontal circle centered on the antenna’s true position.
The GPS42S supports drift compensation as well as synchronised start over GPS.
Inserting a Module
Removing a Module
The DECAQ’s S-Port and power connector, as well as most Modules, use LEMO® connectors.
When plugging-in and unplugging LEMO® connectors, please make sure to use the latching sleeve (rough metallic cover) when pulling and pushing in the connector. Do not plug or unplug the LEMO® connectors by pulling on the cable itself. This will damage the cable, affecting measurements.
The following images show how to plug / unplug the LEMO® connector using the latching sleeve provided:
Note: The images below show the incorrect way to plug / unplug the LEMO® connector (by pushing and pulling on a cable). Take care not to do this:
| Product Name | Part Number | Recommended Mating Connector |
|---|---|---|
| CAN42S | LEMO® EHG.0B.307.CLN | 7-pin LEMO® straight plug FGG.0B.307 |
| FLX42 | LEMO® EHG.0B.307.CLN | 7-pin LEMO® straight plug FGG.0B.307 |
| GPS42S | SMA | SMA (Male) |
| Product Name | Part Number | Recommended Mating Connector |
|---|---|---|
| ALO42S | LEMO® EGG.0B.307.CLN | 7-pin LEMO® straight plug FGG.0B.307 |
| CHG42S | 10-32 Microdot jack | Microdot screw-on plug |
| CHS42X | LEMO® EHG.0B.309 CLN | 9-pin LEMO® straight plug FGG.0B.309 |
| DCH42S | Twin-BNC receptacle | Amphenol Twin-BNC clamp plug 31-224 or 31-2226 |
| ICP42 | SMB jack (Radiall R114426000) | 50 Ω Radiall SMB plug |
| ICP42S | LEMO® EHG.0B.303.CLN | 3-pin LEMO® straight plug FGG.0B.303 |
| ICS42 | LEMO® EHG.0B.309.CLN | 9-pin LEMO® straight plug FGG.0B.309 |
| ICT42 | SMB jack (Radiall R114426000) | 50 Ω Radiall SMB plug |
| ICT42S (1) | LEMO® EHG.0B.303.CLN | 3-pin LEMO® straight plug FGG.0B.303 |
| ICT42S (2) | LEMO® EHG.0B.304.CLN | 4-pin LEMO® straight plug FGG.0B.304 |
| MIC42X | LEMO® EGG.1B.307.CLN | 7-pin LEMO® straight plug FGG.1B.307 |
| THM42 | LEMO® EHG.0B.307.CLN | 7-pin LEMO® straight plug FGG.0B.307 |
| WSB42X | LEMO® EGG.0B.307.CLN | 7-pin LEMO® straight plug FGG.0B.307 |
The following section provides mechanical specification overviews and dimensions of the DECAQ’s 2-slot, 3-slot, 4-slot, 6-slot and 10-slot chassis.
| DECAQ 2-slot chassis | |
|---|---|
| Slot 1 | PQ System Board: Combined System Controller and Power Supply |
| Slot 2 | SC Signal Conditioning Board: Data Acquisition |
| Number of Channels (if 6 Channels per Module) | 24 Channels |
| Fan | No |
| External Surface Cooling System | Natural Convection |
| Internal Board’s Cooling System | Conduction |
| Dimensions (W x H x D) | 287 x 64 x 264 mm / 11.30 x 2.52 x 10.39 inches |
| Volume | 4.9 L 1.3 gal |
| Mass Fully Populated with Battery | 5.8 kg 12.78 lb |
| Mass Fully Populated without Battery | 5.2 kg 11.46 lb |
| Battery Type | Li-Ion |
| Number of Battery Cells | 10 |
| Battery Capacity | 90 Wh |
| Minimum Ambient Temperature | -20 °C -4 °F |
| Maximum Ambient Temperature | 62 °C 143.6 °F |
| Humidity (non-condensing) | 90% RH |
| Shock 30 (11 ms duration) | 55 g Vertical 40 g Transverse and Longitudinal |
| Random Vibration 31 (10 to 2000 Hz) | 0.1 g2/Hz Vertical 0.05 g2/Hz Transverse and Longitudinal |
| Power Input Source 32 | External DC supply with an Internal Battery Pack |
| Power Consumption with Most Demanding Modules | 42 W |
| Power Consumption with Most Demanding Modules and Dynamic Charge On | 47 W |
| Battery charging when system is OFF | 85 W |
The term Most Demanding Modules is used to denote the following configuration:
| DECAQ 3-slot chassis | |
|---|---|
| Slot 1 | PQ System Board Combined System Controller and Power Supply |
| Slot 2 | SC Signal Conditioning Board: Data Acquisition |
| Slot 3 | SC Signal Conditioning Board: Data Acquisition |
| Number of Channels (if 6 Channels per Module) | 48 Channels |
| Fan | No |
| External Surface Cooling System | Natural Convection |
| Internal Board’s Cooling System | Conduction |
| Dimensions (W x H x D) | 307 x 84 x 264 mm / 12.09 x 3.31 x 10.39 inches |
| Volume | 6.8 L 1.8 gal |
| Mass Fully Populated with Battery | 7.8 kg 17.19 lb |
| Mass Fully Populated without Battery | 7.2 kg 15.87 lb |
| Battery Type | Li-Ion |
| Number of Battery Cells | 10 |
| Battery Capacity | 90 Wh |
| Minimum Ambient Temperature | -20 °C -4 °F |
| Maximum Ambient Temperature | 60 °C 140 °F |
| Humidity (non-condensing) | 90% RH |
| Shock 33 (11 ms duration) | 55 g Vertical 40 g Transverse and Longitudinal |
| Random Vibration 34 (10 to 2000 Hz) | 0.1 g2/Hz Vertical 0.1 g2/Hz Transverse and Longitudinal |
| Power Input Source 35 | External DC supply with an Internal Battery Pack |
| Power Consumption with Most Demanding Modules | 64 W |
| Power Consumption with Most Demanding Modules and Dynamic Charge On | 69 W |
| Battery charging when system is OFF | 85 W |
| DECAQ 4-slot chassis | |
|---|---|
| Slot 1 | PQ System Board Combined System Controller and Power Supply |
| Slot 2 - 3 | SC Signal Conditioning Board: Data Acquisition |
| Slot 4 | Synchronisation Board |
| Number of Channels (if 6 Channels per Module) | 72 Channels |
| Fan | Yes 36 |
| External Surface Cooling System | Natural Convection |
| Internal Board’s Cooling System | Conduction |
| Dimensions (W x H x D) | 307 x 111 x 264 mm / 12.09 x 4.37 x 10.39 inches |
| Volume | 9.0 L 2.38 gal |
| Mass Fully Populated with Battery | 9.1 kg 20.03 lb |
| Mass Fully Populated without Battery | 7.9 kg 17.38 lb |
| Battery Type | Li-Ion |
| Number of Battery Cells | 20 |
| Battery Capacity | 180 Wh |
| Minimum Ambient Temperature | -20 °C -4 °F |
| Maximum Ambient Temperature | 58 °C 136.4 °F |
| Humidity (non-condensing) | 90% RH |
| Shock 37 (11 ms duration) | 55 g Vertical 40 g Transverse and Longitudinal |
| Random Vibration 38 (10 to 2000 Hz) | 0.1 g2/Hz Vertical 0.05 g2/Hz Transverse and Longitudinal |
| Power Input Source 39 | External DC supply with an Internal Battery Pack |
| Power Consumption with Most Demanding Modules | 84 W |
| Power Consumption with Most Demanding Modules and Dynamic Charge On | 92 W |
| Battery charging when system is OFF | 85 W |
| DECAQ 6-slot chassis | |
|---|---|
| Slot 1 | PQ System Board Combined System Controller and Power Supply |
| Slot 2 - 5 | SC Signal Conditioning Board: Data Acquisition |
| Slot 6 | Synchronisation Board |
| Number of Channels (if 6 Channels per Module) | 120 Channels |
| Fan | Yes 40 |
| External Surface Cooling System | Natural/Forced Convection |
| Internal Board’s Cooling System | Conduction |
| Dimensions (W x H x D) | 307 x 151 x 264 mm / 12.09 x 5.95 x 10.39 inches |
| Volume | 12.3 L 3.25 gal |
| Mass Fully Populated with Battery | 14.7 kg 32.41 lb |
| Mass Fully Populated without Battery | 12.9 kg 28.44 lb |
| Battery Type | Li-Ion |
| Number of Battery Cells | 30 |
| Battery Capacity | 270 Wh |
| Minimum Ambient Temperature | -20 °C -4 °F |
| Maximum Ambient Temperature | 56 °C 132.8 °F |
| Humidity (non-condensing) | 90% RH |
| Shock 41 (11 ms duration) | 55 g Vertical 40 g Transverse and Longitudinal |
| Random Vibration 42 (10 to 2000 Hz) | 0.1 g2/Hz Vertical 0.05 g2/Hz Transverse and Longitudinal |
| Power Input Source 43 | External DC supply with an Internal Battery Pack |
| Power Consumption with Most Demanding Modules | 124 W |
| Power Consumption with Most Demanding Modules and Dynamic Charge On | 134 W |
| Battery charging when system is OFF | 85 W |
| DECAQ 10-slot chassis | |
|---|---|
| Slot 1 | PQ System Board Combined System Controller and Power Supply |
| Slot 2 - 9 | SC Signal Conditioning Board: Data Acquisition |
| Slot 10 | Synchronisation Board |
| Number of Channels (if 6 Channels per Module) | 192 Channels |
| Fan | Yes |
| External Surface Cooling System | Forced Convection |
| Internal Board’s Cooling System | Conduction |
| Dimensions (W H D) | 291 x 227 x 264 mm / 11.46 x 8.94 x 10.39 inches |
| Volume | 17.4 L 4.53 gal |
| Mass Fully Populated with Battery | 22.7 kg 50.04 lb |
| Mass Fully Populated without Battery | 20.9 kg 46.07 lb |
| Battery Type | Li-Ion |
| Number of Battery Cells | 30 |
| Battery Capacity | 270 Wh |
| Minimum Ambient Temperature | -20 °C -4 °F |
| Maximum Ambient Temperature | 55 °C 131 °F |
| Humidity (non-condensing) | 90% RH |
| Shock44 (11 ms duration) | 55 g Vertical 40 g Transverse and Longitudinal |
| Random Vibration45 (10 to 2000 Hz) | 0.1 g2/Hz Vertical 0.05 g2/Hz Transverse and Longitudinal |
| Power Input Source46 | External DC supply with an Internal Battery Pack |
| Power Consumption with Most Demanding Modules | 193 W |
| Power Consumption with Most Demanding Modules and Dynamic Charge On | 213 W |
| Battery charging when system is OFF | 85 W |

This section contains information about DECAQ chassis handling, from chassis fastening points to effective positioning to ensure your chassis does not overheat.
This section highlights the fitment and operation of the handle for all DECAQ systems.
The handle can be fitted so that it curves either upwards or downwards.
The arms holding the handle in place are curved. The User is able to select which way around the curve flows, either curved up or down.
The position of the handle can be adjusted by pressing in the spring-loaded push buttons at the sides of the handle. When the two black spring-loaded push buttons are depressed slightly, the handle can be rotated into one of three positions (0, 45 or 90 degrees).
The orientation of the handle can be changed so that the handle either curves up or curves down. Once the handle has been removed from the DECAQ, it can be returned either curved upwards or curved downwards.
The sections below highlight each feature of the DECAQ handle.
The handle arms on the DECAQ are curved. The User is able to select which way around the curve flows, either curved upwards or downwards.
| Image | Description |
|---|---|
![]() |
Handle fitted upwards |
![]() |
Handle fitted downwards |
There is a spring-loaded push button on each side of the DECAQ.
| Image | Description |
|---|---|
![]() |
The image on the left shows the push button in its “out” position. The User is advised to only carry the DECAQ by the handle when the push buttons are both in their “out” position. |
![]() |
Depressing the push button half way allows the handle to be rotated. |
![]() |
Depressing the push button in fully allows the handle to be fitted/removed. |
The handle is fitted to a DECAQ using the black spring-loaded push buttons on either side of the system. A HEX key is provided on the bottom of the system for ease of handle fitment.
| Image | Description |
|---|---|
![]() |
Firstly, rotate each push button clockwise into its locked position using the HEX key. |
![]() |
Secondly, add the handle over the push buttons. |
![]() |
Thirdly, rotate each push button anti-clockwise so that each push button moves outwards and clicks into position. In this position, the push button will be flush with the outside of the handle arm. |
Note: The spring-loaded push button sits flush with the outside of the handle arm when the handle has been installed correctly.
Once the handle has been fitted it can be adjusted into one of three positions (0, 45 or 90 degrees). It is not necessary to use the HEX key to adjust the position of the handle.
| Image | Description |
|---|---|
![]() |
Depress each push button on either side of the DECAQ until the handle is able to be adjusted. The push buttons need to be pressed in slightly in order to adjust the handle. |
Note: If the push buttons are pressed in fully, the User will be able to remove the handle.
When oriented upwards, the handle can be locked into place in one of three positions (0, 45 and 90 degrees).
| Image | Description |
|---|---|
![]() |
Handle locked into position at 0 degrees. |
![]() |
Handle locked into position at 45 degrees upwards. |
![]() |
Handle locked into position at 90 degrees upwards. |
When oriented downwards, the handle can be locked into place in one of three positions:
| Image | Description |
|---|---|
![]() |
Handle locked into position at 0 degrees. |
![]() |
Handle locked into position at 45 degrees downwards. |
![]() |
Handle locked into position at 90 degrees downwards. |
DECAQ chassis contain six threaded female fastening points on both the top and the bottom faces of the chassis enclosures (the bottom face refers to the face closest to slot 1 of the DECAQ chassis).
The table below provides a summary of information regarding these fastening points:
| Parameter | Value |
|---|---|
| Hole Size | M5 x 8 mm deep |
| Spacing between holes running from front to rear (uniform) | 82 mm |
| Spacing between the right and left sets of holes | 229.3 mm |
| Maximum shear / normal force applied to any screw | 500 N |
Note: The Numbering of VMEbus slots starts at the top.
For more information about the chassis bottom and top views/faces, see Views.
Adhering to the following guidelines is strongly advised to ensure optimal cooling of your system:
The DECAQ’s firmware includes an over-temperature shutdown procedure to protect the system from overheating. Over-temperature protection in the firmware periodically measures the temperature of each Module and VMEbus board present in the system to determine the maximum overall temperature (MaxTemp or Max) inside the chassis.
The firmware will execute the following actions, depending on the MaxTemp value:
| MaxTemp Value | Action |
|---|---|
| MaxTemp < 70 °C | Fan action: will operate with the user’s speed setting unless the Urgent Cooldown action was triggered. |
| 75 °C ≤ MaxTemp < 85 °C | Fan action: Urgent Cooldown activated. The fan speed will automatically operate at full speed, overriding the user’s speed setting. Once the MaxTemp falls below 70 °C the speed will return to the user’s speed setting. |
| MaxTemp ≥ 85 °C | Shutdown. The DECAQ will switch off immediately. During shutdown the User Interface Display will show SYSOFF or OFF for a few seconds before shutting down completely. |
Efficient heat transfer from each Module / VMEbus board into the chassis is extremely important to maintain the system’s optimal functionality.
In order to do that, the user should ensure:
This is particularly important if any Modules or VMEbus boards have been recently removed or inserted.
When using RackMounts (to secure 4-, 6- and 10-slot L DECAQ chassis in measurement towers), do not obstruct the sides and rear of the RackMount as they have been left open to allow air circulating from the bottom of the rack to cool each chassis sufficiently.
The DECAQ acquires data from its input channels in real-time for subsequent analysis of the data. It uses the following method to synchronise its local clock with an external clock source in order to share a common time base with other systems:
The DECAQ uses Clock Tuning Synchronisation instead of Common Clock Synchronisation.
A control loop uses the PTP timing information to train the local oscillator in each DECAQ. After a few cycles, the control loop will lock. Once locked, synchronisation requires the control loop to continuously train the local oscillator with small increments.
Two parameters are extracted from the PTP timing protocol, namely ‘Absolute Time’ and ‘Relative Time’. These parameters allow DECAQ systems (and other QuantusSeries systems) to be synchronised. The control loop compares ‘Relative Time’ values to the corresponding values of the tunable oscillator. Over time, the difference between those values is brought as close to zero as possible.
PTP synchronisation achieves clock frequency and phase synchronisation between multiple DECAQs on the same network. The IEEE 1588-2008 standard ensures high precision, accuracy and robustness, making it perfect for synchronising measurement systems.
The DECAQ can operate as either a:
The PTP configuration can be done via the software API or the Web Server. The PTP Master Clock is identified using the Best Master Clock Algorithm (BMCA), whereafter all other clocks synchronise directly to the master clock. If no external PTP Master or PTP Grandmaster is available, one of the DECAQ systems will become the PTP Master based on its MAC address or PTP Slave-only setting. If an Ethernet switch is required between a DECAQ system and the PTP master clock, a PTP aware/compliant switch should be used.
Any number of DECAQs can form part of the same system using PTP synchronisation. The only criterion is that each DECAQ be connected to the same PTP-enabled network via its Ethernet interface. Network congestion and availability of Ethernet connections dictate the number of DECAQs that can form part of a synchronised Cluster.
The SP45 is an Ethernet switch (PTP aware) that can be used in a PTP synchronised network of systems. A PTP aware Ethernet switch minimizes the variability of the latency of PTP timestamp packets that traverse through the switch.
All Ethernet ports on the SP45 are interconnected. The SP45 cannot be configured to implement higher layer switching functions such as VLAN, IP routing, port forwarding, port segregation, QoS, etc.
Note: The SP45 does not modify the timestamps of PTP Event messages.
The SP45 is designed as a 10-port Gigabit Ethernet switch (8 to connect to chassis and 2 to connect to the network or another SP45 switch).
The above image shows a cluster of four chassis synchronised together. The four blue cables connect the chassis to Gigabit Ethernet ports on the SP45. The black cable connects the SP45 to a network.
The SP45 PoE is an IEEE 1588v2 PTP-aware Ethernet switch and PoE source that can be installed in a DECAQ mainframe/chassis. A PTP-aware Ethernet switch minimizes the latency variability of PTP Event messages traversing the switch, thereby improving synchronisation accuracy across connected PTP devices.
All Ethernet ports on the SP45 PoE are interconnected. The SP45 PoE cannot be configured to implement higher layer switching functions such as VLAN, IP routing, port forwarding, port segregation, QoS, etc.
Note: The SP45 PoE does not modify the timestamps of PTP Event messages.
The SP45 PoE design is flexible and can be used in a variety of use-cases.
Note The User Interface display will not work if no LEMO® power is connected (the UI is not designed to work in synchronisation mode).
The figure below illustrates the front panel of the SP45 PoE, which supports a variety of configuration options for flexible use-cases.
DC Voltage Input is provided via a 4-pin LEMO® EGG.1B.304 connector, compatible with Mecalc 4-pin LEMO® power cables of the PQ45 See Chassis Power Cables for more detailed information.
Specifications:
Recommended Power Supplies:
Once the SP45 PoE is powered on, the following menu options are available via the User Interface display. To navigate:
)
ButtonThe following menu options will be available on the User Interface display once the SP45 PoE has been switched on (to scroll through these options, press the Scroll Button until the option appears on the display):
![]() |
READY Text displayed on the SP45 PoE User Interface after boot up, and when transitioning between menu display states |
![]() |
OFF? Power down the SP45 PoE |
![]() |
SYS INFO? Displays the serial number and firmware information of the SP45 PoE |
![]() |
TEMP? Power Supply temperature |
![]() |
PSU INFO? Displays the voltage (V), current (I), power (P), temperature (T) and PSE power output (Po) as measured by the PSU controller on the SP45 PoE. Once selected, this menu item changes to become “PSE INFO? |
![]() |
PSE INFO? Displays the power supplied to each of the four PSE ports: P3, P4, P5 and P6. Once selected, this menu item changes to become “PSU INFO?” |
The menu options on the User Interface cycle in a repetitive loop – press the Scroll Button to scroll from SYS INFO? to TEMP? and so on.
The LEMO® connector on the SP45 PoE supplies power to both the unit itself and the PSE controllers on the PoE-enabled ports. The SP45 PoE adheres to the PoE standard, meaning power is only activated after successful negotiation between the PSE (Power Sourcing Equipment) and the PD (Powered Device). This ensures:
The SP45 PoE can deliver up to 110W per port to PoE-enabled controllers in QuantusSeries MICROQ or DECAQ systems. To support this:
Example Configuration:
For custom applications, please contact Mecalc for guidance.
Since the SP45 PoE does not communicate on the backplane data bus, it does not require special firmware and is compatible with existing software releases.
If you are experiencing any problems with your system, please send a web read to support@mecalc.com or info@mecalc.com and our Product Experts will get back to you as soon as possible.
| Overview | An overview of SubModules providing enhanced functionality to corresponding Modules can be found below: |
|---|---|
| ALOP10 | A 32 channel SubModule used with 8 ALO42S Module. Each channel is routed to SMB connectors |
| TBNC10 | The Tri-BNC10 SubModule is used to split signals from a 9-way LEMO® FGG.0B connector to a single triangular prism with 3 BNC connectors |
| TBNC30 | The Tri-BNC30 SubModule is used to split signals from a 9-way LEMO® FGG.0B connector to 3 single BNC Jack connectors to easily connect sensors |
| TBNC40 | The Tri-BNC40 SubModule is used to split signals from a 9-way LEMO® FGG.0B connector to 3 single BNC Plug connectors to easily connect sensors |
| TSMB10 | The Tri-SMB SubModule is used to split signals from a 9-way LEMO® connector to 3 SMB connectors |
| ICTV11 | A single channel SubModule used with an ICT42 or ICT42S Module. It protects a Tacho channel from high voltages |
| FLXB20 | A SubModule which connects a FLX42 Module to a FlexRay™ network, or a CAN42 Module to a CANbus network |
| CANC10 | A SubModule which connects a CAN 42 or CAN42S Module to a CAN or CAN FD bus network |
| SMRM10 | A panel designed to house SubModules |
| PSDP10 | A multiport power panel used to supply power for up to 12 DECAQ Chassis |
| PSDP20 | A multiport power panel used to supply power for up to 12 ALOP10s |
| THMx10 | A single channel SubModule used with a THM42 Module. It is used to connect two thermocouples to a single channel |
| THMP10 | A single channel SubModule used with a THM42 Module. It is used to connect two Pt100 sensors to a single channel |
| THMS10 | A single channel SubModule used with a THM42 Module. It provides 2 sets of 4-way general purpose screw terminals to connect to a pair of E, J, K or T thermocouples or a pair of Pt100 sensors |
| THMS10/250 | The THMS10/250 SubModule is used in conjunction with a THM42 Module. It converts constant current signals between 4 mA and 20 mA to voltages between 1 V and 5 V |
| QBNC11 | A single channel SubModule used with an ALO42S Module. It is used to expand the capacity of the Modules |
The ALOP10 is a rack mountable SubModule for routing the analog output signals from up to eight ALO42S Modules to individual male SMB connectors. The four 7-pin LEMO® connectors of one ALO42S Module is connected to a 023K cable, which is in turn plugged into the ALOP10 by means of a 37-pin D-sub connector. The analog output signals are routed to a corresponding section of the ALOP10 front panel. Reprogrammable channel numbering is provided for every eighth channel.
Where used:
The 023K is a standard length signal cable that connects an ALO42S Module to an ALOP10 SubModule.
Connection diagram per channel
Connector Information and Pin Definitions
The TBNC10 is used to connect to the ICS42 Module. It splits signals, from a 9-way LEMO® connector on the Module’s front panel, to a single triangular prism with 3 BNC connectors to easily connect sensors. Three BNC connectors are provided on the SubModule to interface to the appropriate triaxial or single axis accelerometer. The SubModule connects to the ICS42 Module through a 300 mm, 500 mm or 1200 mm fly-lead.
| TBNC10 options: | |
|---|---|
| TBNC10 300 | The BNC Jack connectors connect to the ICS42 Module with a total cable length of 300 mm |
| TBNC10 500 | The BNC Jack connectors connect to the ICS42 Module with a total cable length of 500 mm |
| TBNC10 1200 | The BNC Jack connectors connect to the ICS42 Module with a total cable length of 1200 mm |
Where used:
| Pin Number of TBNC10 | Signal Name | Channel on ICS42 | Triaxial Accelerometer pin | |
| Left Lemo® | Right Lemo® | |||
| 1 | Signal 1+ | Channel 1+ | Channel 4+ | X+ |
| 2 | Signal 1- | Channel 1- | Channel 4- | GNDx |
| 3 | Signal 2+ | Channel 2+ | Channel 5+ | Y+ |
| 4 | Signal 2- | Channel 2- | Channel 5- | GNDy |
| 5 | Signal 3+ | Channel 3+ | Channel 6+ | Z+ |
| 6 | Signal 3- | Channel 3- | Channel 6- | GNDz |
The TBNC30 is used to connect to the ICS42 Module. The Tri-BNC30 SubModule splits signals from a 9-way LEMO® FGG.0B, connecting on the Module’s front panel, to 3 single BNC Jack connectors to easily connect sensors. Three BNC Jack connectors are crimped on cables to provide a flexible interface to the appropriate triaxial or single axis accelerometer. The SubModule connects to the ICS42 Module through a 500 mm or 1200 mm fly-lead.
| TBNC30 options: | |
|---|---|
| TBNC30 500 | The BNC Jack connectors connect to the ICS42 Module with a total cable length of 500 mm |
| TBNC30 1200 | The BNC Jack connectors connect to the ICS42 Module with a total cable length of 1200 mm |
Where used:
| Pin Number of TBNC30 | Signal Name | Channel on ICS42 | Triaxial Accelerometer pin | |
| Left Lemo® | Right Lemo® | |||
| 1 | Signal 1+ | Channel 1+ | Channel 4+ | X+ |
| 2 | Signal 1- | Channel 1- | Channel 4- | GNDx |
| 3 | Signal 2+ | Channel 2+ | Channel 5+ | Y+ |
| 4 | Signal 2- | Channel 2- | Channel 5- | GNDy |
| 5 | Signal 3+ | Channel 3+ | Channel 6+ | Z+ |
| 6 | Signal 3- | Channel 3- | Channel 6- | GNDz |
The TBNC40 is used to connect to the ICS42 Module. The Tri-BNC40 SubModule splits signals from a 9-way LEMO® FGG.0B, connecting on the Module’s front panel, to 3 single BNC Plug connectors to easily connect sensors. Three single BNC Plug connectors are crimped on cables to provide a flexible interface to the appropriate triaxial or single axis accelerometer. There are two lengths options available:
| TBNC40 options: | |
|---|---|
| TBNC40 500 | The BNC Plug connectors connect to the ICS42 Module with a total cable length of 500 mm |
| TBNC40 1200 | The BNC Plug connectors connect to the ICS42 Module with a total cable length of 1200 mm |
Where used:
| Pin Number of TBNC40 | Signal Name | Channel on ICS42 | Triaxial Accelerometer pin | |
| Left Lemo® | Right Lemo® | |||
| 1 | Signal 1+ | Channel 1+ | Channel 4+ | X+ |
| 2 | Signal 1- | Channel 1- | Channel 4- | GNDx |
| 3 | Signal 2+ | Channel 2+ | Channel 5+ | Y+ |
| 4 | Signal 2- | Channel 2- | Channel 5- | GNDy |
| 5 | Signal 3+ | Channel 3+ | Channel 6+ | Z+ |
| 6 | Signal 3- | Channel 3- | Channel 6- | GNDz |
The TSMB10 is used to connect to the ICS42 Module. The Tri-SMB10 SubModule splits signals, from a 9-way LEMO® connector on the Module’s front panel, to 3 SMB connectors to easily connect sensors. Three SMB connectors are provided on the SubModule to interface to the appropriate triaxial or single axis accelerometer. The SubModule connects to the ICS42 Module through a 500 mm or 1200 mm fly-lead.
| TSMB10 options: | |
|---|---|
| TSMB10 500 | The SMB connectors connect to the ICS42 Module with a total cable length of 500 mm |
| TSMB10 1200 | The SMB connectors connect to the ICS42 Module with a total cable length of 1200 mm |
Where used:
With any ICP® based sensor commonly used to measure vibration, acceleration, force or pressure
With any voltage source up to ±10 V in voltage input mode
| Pin Number of TSMB10 | Signal Name | Channel on ICS42 | Triaxial Accelerometer pin | |
| Left Lemo® | Right Lemo® | |||
| 1 | Signal 1+ | Channel 1+ | Channel 4+ | X+ |
| 2 | Signal 1- | Channel 1- | Channel 4- | GNDx |
| 3 | Signal 2+ | Channel 2+ | Channel 5+ | Y+ |
| 4 | Signal 2- | Channel 2- | Channel 5- | GNDy |
| 5 | Signal 3+ | Channel 3+ | Channel 6+ | Z+ |
| 6 | Signal 3- | Channel 3- | Channel 6- | GNDz |
The ICTV11 is used to protect the ICT42 or ICT42S Module’s Tacho inputs from excessively high voltages. These may occur when inductive devices are discharged or when measuring close to high voltage circuitry. The SubModule contains high energy over-voltage dissipation devices. These devices limit the output voltage to reasonable values which will not destroy the internal circuitry of the ICT42 and ICT42S Modules. A BNC connector is provided on the SubModule to interface to the appropriate Tacho sensor. The SubModule connects to the ICT42 and ICT42S Module through a 300 mm fly-lead ending with a 4-pin LEMO® FGG.0B connector.
Where used:
The FLXB20 SubModule provides an interface to a 9-pin D-sub connection. The FLXB20 SubModule is used to connect a FLX42 Module to a FlexRay™ network. It provides the interface between the 7-pin LEMO® connector on the FLX42 Module and the 9-pin D-sub connector on the FlexRay™ network.
Where used (FlexRay™):
The FLXB20 SubModule can also be used to connect a CAN42 Module to a CANbus network. Here it provides the interface between the 7-pin LEMO® connector on the CAN42 Module and the 9-pin D-sub connector on the CANbus network. Where Used (CANbus):
The CANC10 SubModule provides an interface to a 9-pin D-sub connection. The CANC10 SubModule is used to connect a CAN42S Module to a CANbus network. It provides the interface between the 7-pin LEMO® connector on the CAN42S Module and the 9-pin D-sub connector on the CANbus network.
Where used (CANbus):

The SMRM10 is a panel designed to house SubModules. It can be used to house any of the various SubModules as all SubModules have the same height. The SMRM10 has been designed to be mounted in a 19-inch rack.
Where used:
Connection diagram per channel

The PSDP10 is a multiport power distribution panel for powering multiple DECAQ Chassis. The panel (which is designed to be mounted in a 19-inch rack) is supplied power through a 5-pin high power D-subminiature port and provides power to 12 recipient DECAQ Chassis through 4-pin LEMO® connectors.
Where used:
Supplies the power for up to 12 DECAQ Chassis
Designed according to a 1.5 U form factor for rack-mounting in 19” racks
Accepts power through a 5-pin high power D-subminiature port
Provides twelve 4-pin LEMO® connectors
Connection diagram per channel
Connector Information and Pin Definitions

Similarly, the PSDP20 is a multiport power distribution panel for powering multiple ALOP10s. The panel is supplied power through an 8-pin high power D-subminiature port and provides power to the recipient boards through 5-pin LEMO® connectors.
Where used:
Connection diagram per channel
Connector Information and Pin Definitions
Seven thermocouple-based SubModules exist, each containing dedicated thermocouple connectors. Each SubModule contains a pair of miniature thermocouple connectors, of the appropriate alloy and color, according to either IEC or ANSI standards. Cold-junction-compensation is facilitated through the use of a 0.5 °C accurate temperature sensor in thermal contact with the connectors’ contacts. The SubModule type is identified through a TEDS interface.
Each SubModule connects to the THM42 Module through a 300 mm fly-lead ending with a 7-way LEMO® FGG 0B connector.
Miniature thermocouple connector 1 (and similarly thermocouple connector 2):
| These 7 SubModules can be listed as follows: | |
|---|---|
![]() |
The THME10 SubModule contains Chromel/Constantan (NiCr/CuNi) alloys and has lilac connectors (IEC 584-3 and ANSI MC 96.1) |
![]() |
The THMJ10 SubModule contains Iron/ Constantan (Fe/CuNi) alloys and has black connectors (both IEC 584-3 and ANSI MC 96.1) |
![]() |
The THMK10 SubModule contains Chromel/Alumel (NiCr/NiAl) alloys and has green connectors (IEC 584-3) |
![]() |
The THMK10 SubModule contains Chromel/Alumel (NiCr/NiAl) alloys and has yellow connectors (ANSI MC 96.1) |
![]() |
The THMT10 SubModule contains Copper/Constantan (Cu/CuNi) alloys and has blue connectors (ANSI MC 96.1) |
![]() |
The THMT10 SubModule contains Copper/Constantan (Cu/CuNi) alloys and has brown connectors (IEC 584-3) |
![]() |
The THMU10 SubModule contains Copper/Copper (Cu/Cu) alloys and has white connectors |
Seven thermocouple-based SubModules
The THMP10 SubModule is used in conjunction with a THM42 Module to provide 2 sets of 4-way LEMO® EGG 0B connectors for use with 2 Pt100 sensors. These connectors provide current to a Pt100 sensor and sense the voltage across it. The SubModule type is identified through a TEDS interface. The THMP10 SubModule connects to the THM42 Module through a 300 mm fly-lead ending with a 7-way LEMO® FGG 0B connector.
Where used:
The THMS10 SubModule is used in conjunction with a THM42 Module to provide 2 sets of 4‑way general purpose screw terminals to connect to a pair of E, J, K or T thermocouples or a pair of Pt100 sensors. Cold-junction-compensation is facilitated through the use of a 0.5 °C accurate temperature sensor in thermal contact with the connectors’ contacts. Constant current is provided for Pt100 use. The SubModule type is identified through a TEDS interface. The THMS10 SubModule connects to the or THM42 Module through a 300 mm fly-lead ending with a 7-way LEMO® FGG 0B connector.
Where used:
Note: The use of 2-wire and 3-wire Pt100 sensors is not recommended due to an increase in measurement errors brought about by the lead resistance.
The table below provides a summary of the connection procedures for thermocouples and Pt100 sensors when 2 sensors are being connected to the THMS10.
| Pin Number | Function | Sensor Type | |||
|---|---|---|---|---|---|
| Thermocouple | Pt100 (4-wire) | Pt100 (3-wire) | Pt100 (2-wire) | ||
| A1 | Excitation0+ | NC 47 | Positive current lead of first Pt100 | Positive current lead of first Pt100 | Jumper between pins A1 and A2 48 |
| A2 | Signal0+ | Positive lead of first thermocouple | Positive signal lead of first Pt100 | Positive signal lead of first Pt100 | Positive signal lead of first Pt100 |
| A3 | Signal0- | Negative lead of first thermocouple | Negative signal lead of first Pt100 | Negative signal lead of first Pt100 | Negative signal lead of first Pt100 |
| A4 | Excitation0- | NC | Negative current lead of first Pt100 | Jumper between pins A3 and A4 | Jumper between pins A3 and A4 |
| B1 | Excitation1+ | NC | Positive current lead of second Pt100 | Positive current lead of second Pt100 | Jumper between pins B1 and B2 |
| B2 | Signal1+ | Positive lead of second thermocouple | Positive signal lead of second Pt100 | Positive signal lead of second Pt100 | Positive signal lead of second Pt100 |
| B3 | Signal1- | Negative lead of second thermocouple | Negative signal lead of second Pt100 | Negative signal lead of second Pt100 | Negative signal lead of second Pt100 |
| B4 | Excitation1- | NC | Negative current lead of second Pt100 | Jumper between pins B3 and B4 | Jumper between pins B3 and B4 |
Connections between 2 Thermocouple/Pt100 Sensors and a THMS10
The table below provides a summary of the connection procedures for thermocouples and Pt100 sensors, when 1 sensor is being connected to channel 1 of the THMS10.
| Pin Number | Function | Sensor Type | |||
|---|---|---|---|---|---|
| Thermocouple | Pt100 (4-wire) | Pt100 (3-wire) | Pt100 (2-wire) | ||
| A1 | Excitation0+ | NC49 | Positive current lead of Pt100 | Positive current lead of Pt100 | Jumper between pins A1 and A2 50 |
| A2 | Signal0+ | Positive lead of thermocouple | Positive signal lead of Pt100 | Positive signal lead of Pt100 | Positive signal lead of Pt100 |
| A3 | Signal0- | Negative lead of thermocouple | Negative signal lead of Pt100 | Negative signal lead of Pt100 | Negative signal lead of Pt100 |
| A4 | Excitation0- | NC | NC | NC | NC |
| B1 | Excitation1+ | NC | NC | NC | NC |
| B2 | Signal1+ | NC | NC | NC | NC |
| B3 | Signal1- | NC | NC | NC | NC |
| B4 | Excitation1- | NC | Negative current lead of Pt100 | Jumper between pins A3 and B4 | Jumper between pins A3 and B4 |
Connections between 1 Thermocouple/Pt100 Sensor and channel 1 of the THMS10
The table below provides a summary of the connection procedures for thermocouples and Pt100 sensors, when 1 sensor is being connected to channel 2 of the THMS10.
| Pin Number | Function | Sensor Type | |||
|---|---|---|---|---|---|
| Thermocouple | Pt100 (4-wire) | Pt100 (3-wire) | Pt100 (2-wire) | ||
| A1 | Excitation0+ | NC 51 | Positive current lead of Pt100 | Positive current lead of Pt100 | Jumper between pins A1 and B2 52 |
| A2 | Signal0+ | NC | NC | NC | NC |
| A3 | Signal0- | NC | NC | NC | NC |
| A4 | Excitation0- | NC | NC | NC | NC |
| B1 | Excitation1+ | NC | NC | NC | NC |
| B2 | Signal1+ | Positive lead of thermocouple | Positive signal lead of Pt100 | Positive signal lead of Pt100 | Positive signal lead of Pt100 |
| B3 | Signal1- | Negative lead of thermocouple | Negative signal lead of Pt100 | Negative signal lead of Pt100 | Negative signal lead of Pt100 |
| B4 | Excitation1- | NC | Negative current lead of Pt100 | Jumper between pins B3 and B4 | Jumper between pins B3 and B4 |
Connections between 1 Thermocouple/Pt100 Sensor and channel 2 of the THMS10
The THMS10/250 SubModule is used in conjunction with a THM42 Module to provide 2 sets of 4‑way general purpose screw terminals to connect to two constant current signals from sensors between 4 mA and 20 mA. Two precision 250 Ω resistors convert the constant current signals to voltage signals between 1 V and 5 V. The SubModule is identified through a TEDS interface. The THMS10/250 SubModule connects to the THM42 through a 300 mm fly-lead ending with a 7-way LEMO® FGG 0B connector.
Where used:
Note: The 250 Ω resistor is internal in the THMS10/250 and the user should not add the resistor to the pins.
The table below provides a summary of the connection procedures for sensors with a 4 mA to 20 mA current output that are being connected to the THMS10/250.
| Pin Number | Function | Sensor with 4 mA to 20 mA current output |
|---|---|---|
| A1 | Excitation0+ | NC 53 |
| A2 | Signal0+ | Positive lead of first sensor |
| A3 | Signal0- | Negative lead of first sensor |
| A4 | Excitation0- | NC |
| B1 | Excitation1+ | NC |
| B2 | Signal1+ | Positive lead of second sensor |
| B3 | Signal1- | Negative lead of second sensor |
| B4 | Excitation1- | NC |
Connections between two 4 mA to 20 mA output current sensors and a THMS10/250
The Quad BNC (QBNC) is a SubModule that is used to split signals from a 7-pin LEMO® connector to 4 BNC connectors. A sticker on top indicates with which Modules the QBNC is compatible, and how the signals are mapped.
Where used:
Splits the signals coming from an ALO42S Module
Designed as a SubModule used to expand the capacity of an ALOP42S Module
Accepts one 7-pin LEMO® FGG 0B connector
Provides 4 BNC connectors to split the signals as follows:
QBNC11 Pinouts when connected to an ALO42S Module
The 214K is a standard length power cable for powering combined power supply and controller boards from a car cigarette lighter.
| Length | Connector 1 | Connector 2 | Current Rating |
|---|---|---|---|
| 2 m | 4-way LEMO® (FGG.1B.304) with black bend relief. | Cigarette lighter plug. | 15 A |
The 230K is a standard length power cable for powering combined power supply and controller boards from a Mean Well power supply.
| Length | Connector 1 | Connector 2 | Current Rating |
|---|---|---|---|
| 1 m | 4-way LEMO® (FGG.1B.304) with red bend relief. | 4-way female DC power supply. | 15 A |
The 231K is a variable length power cable for powering combined power supply and controller boards from a Mean Well power supply.
| Length | Connector 1 | Connector 2 | Current Rating |
|---|---|---|---|
| Variable | 4-way LEMO® (FGG.1B.304) with red bend relief. | 4-way female DC power supply. | 15 A |
The 216K is a standard length power cable for powering combined power supply and controller boards from a desktop power supply.
| Length | Connector 1 | Connector 2 | Current Rating |
|---|---|---|---|
| 2 m | 4-way LEMO® (FGG.1B.304) with black bend relief. | 2 stackable banana plugs,1 red and 1 black. | 20 A |
The 221K is a variable length power cable for powering combined power supply and controller boards from a desktop power supply.
| Length | Connector 1 | Connector 2 | Current Rating |
|---|---|---|---|
| Variable | 4-way LEMO® (FGG.1B.304) with black bend relief. | 2 stackable banana plugs,1 red and 1 black. | 20 A |
The 223K is a standard length power cable for powering combined power supply and controller boards from a PSDP10.
| Length | Connector 1 | Connector 2 | Current Rating |
|---|---|---|---|
| 3 m | 4-way LEMO® (FGG.1B.304) with black bend relief. | 4-way LEMO® (FGG.1B.304) with black bend relief. | 20 A |
The 001K is a standard length sensor cable used to connect deflection bridge sensors to WSB42 and WSB42X Modules.
| Length | Connector 1 | Connector 2 |
|---|---|---|
| 2 m | 7-way LEMO® (FGG.0B.307) with blue bend relief | 7 unconnected wires (brown, red, orange, yellow, green, blue, black) |
The 008K is a variable length sensor cable used to connect deflection bridge sensors to WSB42 and WSB42X Modules.
| Length | Connector 1 | Connector 2 |
|---|---|---|
| Variable | 7-way LEMO® (FGG.0B.307) with blue bend relief | 7 unconnected wires (brown, red, orange, yellow, green, blue, black) |
The 010K is a standard length signal cable that disconnects the shield of an MIC42X Module.
| Length | Connector 1 | Connector 2 |
|---|---|---|
| 300 mm | 7-way LEMO® (FGG.1B.307) with black bend relief | 7-way LEMO® (PHG.1B.307) with black bend relief |
The 013K is a standard length signal cable that connects a CHG42S Module to a BNC socket.
| Length | Connector 1 | Connector 2 |
|---|---|---|
| 1 m | 10 - 32 Microdot | BNC plug |
The 023K is a standard length signal cable that connects an ALO42S Module to an ALOP10 SubModule.
| Length | Connector 1 | Connector 2 |
|---|---|---|
| 3 m | 4 7-way LEMO® (FGG.0B.307) | Male 37-way D-sub |
The 025K is a standard length signal cable that converts the SMB output of a Module to a BNC output.
| Length | Connector 1 | Connector 2 |
|---|---|---|
| 1 m | SMB socket | BNC plug |
All rights are reserved. No part of this publication may be reproduced, shared with a third party, stored in a retrieval system or transmitted in any form (mechanical, electronic, photocopying, recording or other) without the prior written permission of Mecalc. All information in this document, including drawings, technical descriptions and images, remains the property of Mecalc.
Every precaution has been taken to provide the most relevant and accurate information regarding the products discussed in this manual. However, as Mecalc is constantly improving and updating its products, this information is subject to change without notice.
Extended warranty options are available, please contact your supplier for more information.
Mecalc shall not be responsible for conformity with any standards, codes or regulations that may apply to the combination of products in the customer’s application or use of the products.
At the customer’s request Mecalc can provide applicable certification documents identifying ratings and limitations of use that apply to products. However, this information by itself is not sufficient for a complete determination of the suitability of the products in combination with the end product, machine, system or other application or use.
The following are examples of typical applications. However, this is neither an exhaustive list nor intended to imply that products will always be suitable for use in these instances:
Please know and observe all prohibitions of use applicable to the products.
Note: Never use the products for an application involving serious risk to life or property without ensuring that the system as a whole has been designed to address the risks, and that the Mecalc products are properly rated and installed for the intended use within the overall equipment or system.
Mecalc cannot be responsible for any consequences as a result of the user’s programming of a programmable product.
Performance data given in this manual are provided as a guide for the user in determining suitability and do not constitute a warranty. The data may represent the results of Mecalc ’s test conditions and users will have to correlate those results with actual application requirements. Actual performance is subject to the Mecalc Warranty and Limitations of Liability.
The information in this manual has been carefully checked and is believed to be accurate. However, no responsibility is assumed for clerical, typographical or proofreading errors or omissions.
High Power Load Configuration denotes the following configuration: Fully populated system with a PQ45 controller and ICS Modules installed into every slot. All ICS channel are enabled with max sampling rate, terminated with 120 Ω loads, and set to ICP® mode with 4 mA current excitation. Dynamic charge is always enabled.↩︎
Measured in 10 V range at 102.4 kSa/s↩︎
Dynamic range calculated at sampling rate of 51.2 kSa/s, with a 4096-point FFT.↩︎
Measured in 10 V range at 102.4 kSa/s with all channels in voltage input / ICP® mode.↩︎
Measured in 10 V range at 102.4 kSa/s with 3 channels in charge mode and 3 channels in voltage input mode.↩︎
Valid for charge mode sensitivities 1 mV/pC and 0.1 mV/pC.↩︎
Dynamic range calculated at sampling rate of 51.2 kSa/s, with a 4096-point FFT.↩︎
Charge mode channels cannot be mixed with non-charge mode channels within a connector.↩︎
Measured in 10 V range at 102.4 kSa/s with all channels in charge mode.↩︎
Valid for charge mode sensitivities 1 mV/pC and 0.1 mV/pC.↩︎
Measured in 10 V range at 102.4 kSa/s with 3 channels in charge mode and 3 channels in voltage input Mode.↩︎
Dynamic range calculated at sampling rate of 51.2 kSa/s, with a 4096-point FFT.↩︎
Measured in 10 V range at 204.8 kSa/s↩︎
Dynamic range calculated at sampling rate of 51.2 kSa/s, with a 4096-point FFT.↩︎
Measured in 10 V range at 204.8 kSa/s↩︎
Measured in 10 V range at 6.4 kSa/s↩︎
Measured in 10 V range at 102.4 kSa/s↩︎
Dynamic range calculated at sampling rate of 51.2 kSa/s, with a 4096-point FFT.↩︎
These grounding types may vary based on the software package utilized with the DECAQ↩︎
Measured in 10 V range at 204.8 kSa/s↩︎
Dynamic range calculated at sampling rate of 51.2 kSa/s, with a 4096-point FFT.↩︎
Measured in 10 V range at 204.8 kSa/s.↩︎
Dynamic range calculated at sampling rate of 51.2 kSa/s, with a 4096-point FFT.↩︎
Measured in 10 V range at 204.8 kSa/s.↩︎
Dynamic range calculated at sampling rate of 51.2 kSa/s, with a 4096-point FFT.↩︎
Dynamic range calculated at sampling rate of 51.2 kSa/s, with a 4096-point FFT.↩︎
Measured in 10 V range at 204.8 kSa/s↩︎
CEP: Circular Error Probability, the radius of a horizontal circle, centered at the antenna’s true position, containing 50% of the fixes↩︎
ANN-ST-O-005-0 GPS antenna from U-BLOX AG, Switzerland (or similar antenna)↩︎
According to MIL-STD-810G Method 516.6, Procedure I. 1 g = 9.8 m/s2↩︎
According to MIL-STD-810G Method 514.6, Procedure I. 1 g = 9.8 m/s2↩︎
These values are an indication of the power consumption for typical chassis configurations and are not intended as an explicit specification for the external power supply.↩︎
According to MIL-STD-810G Method 516.6, Procedure I. 1 g = 9.8 m/s2↩︎
According to MIL-STD-810G Method 514.6, Procedure I. 1 g = 9.8 m/s2↩︎
These values are an indication of the power consumption for typical chassis configurations and are not intended as an explicit specification for the external power supply↩︎
For optimal cooling, see Chassis Handling below↩︎
According to MIL-STD-810G Method 516.6, Procedure I. 1 g = 9.8 m/s2↩︎
According to MIL-STD-810G Method 514.6, Procedure I. 1 g = 9.8 m/s2↩︎
These values are an indication of the power consumption for typical chassis configurations and are not intended as an explicit specification for the external power supply.↩︎
For optimal cooling, see Chassis Handling below↩︎
According to MIL-STD-810G Method 516.6, Procedure I. 1 g = 9.8 m/s2↩︎
According to MIL-STD-810G Method 514.6, Procedure I. 1 g = 9.8 m/s2↩︎
These values are an indication of the power consumption for typical chassis configurations and are not intended as an explicit specification for the external power supply.↩︎
According to MIL-STD-810G Method 516.6, Procedure I. 1 g = 9.8 m/s2↩︎
According to MIL-STD-810G Method 514.6, Procedure I. 1 g = 9.8 m/s2↩︎
These values are an indication of the power consumption for typical chassis configurations and are not intended as an explicit specification for the external power supply.↩︎
Not connected↩︎
The jumper connection is not made by the THMS10 internally and must therefore be made by the user externally↩︎
Not connected↩︎
The jumper connection is not made by the THMS10 internally and must therefore be made by the user externally↩︎
Not connected↩︎
The jumper connection is not made by the THMS10 internally and must therefore be made by the user externally↩︎
Not connected↩︎
© 2026 Mecalc (Pty) Ltd. QuantusSeries and the Q icon are registered trademarks of Mecalc (Pty) Ltd. Information is provided "as is" without warranties or guarantees regarding accuracy, completeness, or suitability for any purpose. Mecalc assumes no liability for its use. Specifications may change without notice.
© 2026 Mecalc (Pty) Ltd. QuantusSeries and the Q icon are registered trademarks of Mecalc (Pty) Ltd. Information is provided "as is" without warranties or guarantees regarding accuracy, completeness, or suitability for any purpose. Mecalc assumes no liability for its use. Specifications may change without notice.